新闻  |   论坛  |   博客  |   在线研讨会
机车车辆设备冲击和振动试验
quanminjiance | 2024-08-26 14:20:48    阅读:497   发布文章

图片


1、试验项目

功能性振动试验、长寿命振动试验  机械冲击试验
2、试验顺序
先进行垂向、横向和纵向模拟长寿命振动试验,其次,进行垂向、横向和纵向的冲击试验,最后进行垂向、横向和纵向的功能振动试验。

3、试验时间
功能性振动试验:振动三个相互垂直方向,每方向振动时长不低于10分钟,试验过程产品全程处于通电工作状态。
长寿命振动试验:振动三个相互垂直方向,每方向振动时长5个小时,试验过程产品全程处于断电不工作状态。
机械冲击试验:冲击三个相互垂直方向的正反向,共计6方向,每方向冲击3次。测试时间很短,可以忽略不计。
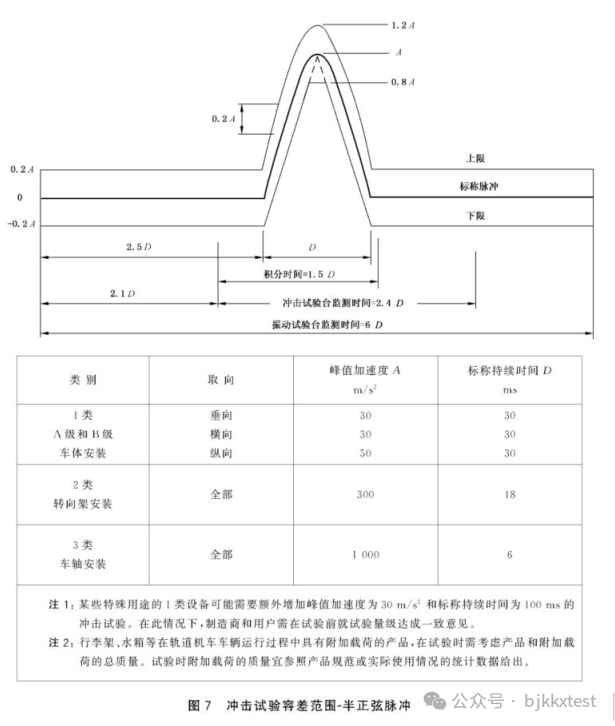
4、试验条件
图片图片
图片图片图片图片图片图片图片5、CNAS授权的铁路行业振动冲击试验标准:
√ 轨道交通 机车车辆设备 冲击和振动试验 IEC 61373:2010;GB/T21563-2018;
√ 轨道交通 机车车辆设备 冲击和振动试验 GB/T 21563-2008,IEC 61373:1999;
√ 轨道交通 机车车辆电子装置 GB/T 25119-2021,IEC 60571;
√ 铁路地面信号产品振动试验方法 TB/T 2846-2015;√ 轨道交通 机车车辆电子装置 EN 50155:2021。

检测试验找彭工136-9109-3503

*博客内容为网友个人发布,仅代表博主个人观点,如有侵权请联系工作人员删除。

参与讨论
登录后参与讨论
实验室彭工:136-9109-3503 提供可靠性、电磁兼容、防护等级、高低温、湿热、振动、冲击、盐雾、环境适应性等试验,测试服务,第三方检测机构已获得国家级CNAS/CMA资质认可实验室,北京检测实验室出具第三方检测报告.
推荐文章
最近访客