新闻  |   论坛  |   博客  |   在线研讨会
IGBT双脉冲测试原理解析
橘子说IGBT | 2019-09-05 16:14:20    阅读:3538   发布文章

通常我们对某款IGBT的认识主要是通过阅读相应的datasheet,数据手册中所描述的参数是基于一些已经给定的外部参数条件测试得来的,而实际应用中的外部参数都是个性化的,往往会有所不同,因此这些参数有些是不能直接拿来使用的。

因此可以通过双脉冲测试,对IGBT的性能进行更为准确的评估。

双脉冲测试的主要功能如下:

1、测量IGBT的各项动态参数(td>r、Eon、td off、tf、Eoff 等);
2、通过观察IGBT的栅极波形,评估IGBT驱动板是否能为IGBT开启提供足够的驱动电流;
3、获取IGBT在开通、关断过程的主要参数,以评估Rgon与Rgoff的选择是否合适;
4、观察开通、关断过程是否有电压尖峰,评估实际应用是否需要吸收电路;
5、评估二极管的反向恢复行为和安全裕量;
6、测量母排的杂散电感;

双脉冲测试原理

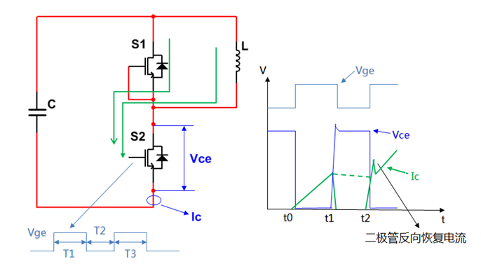
图1 双脉冲测试平台的电路及理想波形

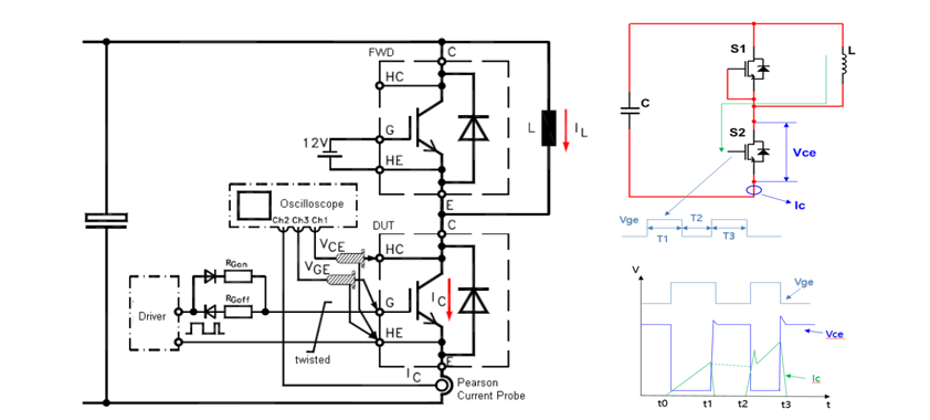
IGBT双脉冲测试的实测电路及电路拓扑如图1所示。

用高压隔离探头测量Vce及Vge的电压大小,用罗氏线圈测量电流Ic的大小,测试结果通过示波器进行监控;上管IGBT的Vge加负压或直接短路,因此它是关断的,只有其并联的二极管起续流作用,在实际测试过程中可以用二极管替代。具体测试原理如下:

图2 双脉冲测试原理及波形

如图2所示,在t0时刻,被测IGBT的门极接收到第一个脉冲,被测IGBT导通,母线电压U加在负载电感L上,电感上的电流线性上升,表达式为:

IGBT关断前的t1时刻,电感电流的数值由U和L决定;在U和L都确定时,电流的数值由IGBT开启的脉宽T1决定,开启时间越长,电流越大。

因此可以通过改变脉冲宽度的大小,自主设定电流的数值。

t1时刻,IGBT关断,因为母线杂散电感Ls的存在,会产生一定的电压尖峰,该尖峰大小为。在该时刻,重点是观察IGBT的关断过程,电压尖峰是重要的监控对象。

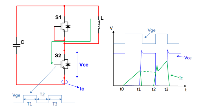
图3 双脉冲测试原理及波形

如图3所示,t1到t2之间,IGBT关断,此时电流流向如原理图绿线所示,负载的电流L的电流由上管二极管续流,该电流缓慢衰减,如图3波形图虚线所示。

由于电流探头放在下管的发射极处,因此,在二极管续流时,示波器无法显示该电流。

图4 双脉冲测试原理及波形

如图4所示,在t2时刻,被测IGBT 再次导通,续流二极管进入反向恢复状态,反向恢复电流会穿过IGBT,此时电流探头所测得的Ic为FRD反向电流与电感电流叠加,产生如波形图所示的电流尖峰。

在该时刻,重点是观察IGBT的开通过程,电流峰值是重要的监控对象,同时应注意观察栅极波形是否存在震荡现象。

图5 双脉冲测试原理及波形

如图5所示,在t3时刻,被测IGBT再次关断,与第一次关断相同,因为母线杂散电感Ls的存在,会产生一定的电压尖峰。

在该时刻,重点是观察关断之后电压和电流是否存在不合适的震荡。

根据上述原理,IGBT的实测波形如下所示:

C1通道(黄线):Vce、 C2通道(紫线):Vge、 C3通道(蓝线):Ic

图6 IGBT双脉冲测试波形——关断时刻波形

图7 IGBT双脉冲测试波形——开启时刻波形

观测完波形图,下一步就是对图中的数据进行观察、采集,这一部分将放在下一节来讲。

了解更多有关IGBT的知识,请关注我的公众号“橘子说IGBT”,每周更新,带你由浅及深地了解IGBT。


*博客内容为网友个人发布,仅代表博主个人观点,如有侵权请联系工作人员删除。

参与讨论
登录后参与讨论
更多内容请关注橘子说IGBT微信公众号哦
推荐文章
最近访客