"); //-->
引言:
提供一系列接口保护器件,主要有HDMI 、 SD卡、 SDI 、USB 、音视频、底部连接器、键盘、CAN bus等等



附图1为部分器件示意结构图


实际应用:
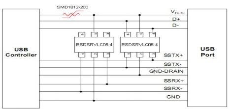
1 . USB应用
![]() | ![]() |
器件:ESDSRVLC05-4 封装:SOT23-6L | 器件:ESD5V0K5 封装:SOT-363 |

器件:ESD5V0J4 封装:SOT-353 (保护地与信号地间距大于0.0254mm)
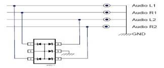
2 . Audio线路的保护

器件:ESD5V0M5 封装:SOT-563

器件:ESDSRVLC05-4 封装:SOT-23-6

器件:ESD5V0AP 封装:SOT-23 或 ESD5V0D3 SOD-323
3 .CAN总线路的保护

车载24V ESD24VAP / SOT-23

I/O线接法
4 . MIC麦克风/话筒的保护

器件: ESD5V0D3 封装:SOD-323 或ESDBLC5V0AP 封装:SOT-23
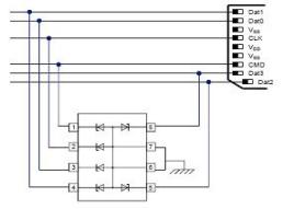
5 .SD卡的保护


器件: ESD5.0VL07 封装:SOIC-08 器件: ESD5V0L4 封装:SOT-553
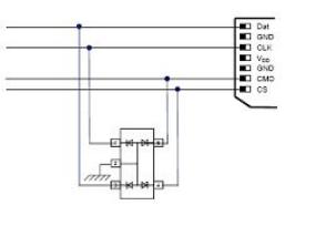
6 .SDI卡的保护

器件: ESDLC5V0D3B 封装:SOD-323
7 .SIM卡的保护

器件: ESDSRVLC05-4
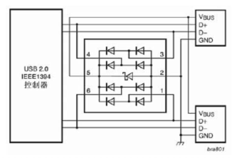
8 .USB3.0接口保护

器件: ESDSRVLC05-4 2PCS
型号 | 封装 | 保护通道数 | VRWM | IEC61000−4−2(ESD) | VBR (V) @ IT | 应用 | |||
Type | package | Channel | v | Air | Contact | Min | Max | APPLICATIONS | |
ESDLC3V0J4 | SOT-353 | 4 路 | 3.0 | +15KV | +8KV | 5.3 | 5.9 | 工控设备 | |
ESD3V3D7 | SOD-723 | 1路 | 3.3 | +30KV | +30KV | 5.0 | 5.9 | 串口 | |
ESD3V3D5 | SOD-523 | 1路 | 3.3 | +30KV | +30KV | 5.0 | 5.9 | 笔记本 | |
ESD3V3AP | SOT-23 | 2路 | 3.3 | + 15KV | +8KV | 5.0 | 5.9 | 数码端口 数据接口 | |
ESD3V3D3 | SOT-323 | 1路 | 3.3 | +15KV | +8KV | 5.0 | 5.9 | ||
ESD5V0L4 | SOT-553 | 4路 | 5.0 | +15KV | + 15KV | 6.2 | 7.2 | 工控设备串口 笔记本 USB 安防产品 消费电子 消费电子键盘、USB | |
ESD5V0J4 | SOT-353 | 4路 | 5.0 | + 15KV | + 15KV | 6.2 | 7.2 | ||
ESD5V0AP | SOT-23 | 2路 | 5.0 | + 15KV | +8KV | 6.2 | 7.3 | ||
ESD5V0M5 | SOT-563 | 5路 | 5.0 | +15KV | + 15KV | 6.2 | 7.2 | ||
ESD5V0D7 | SOD-723 | 1路 | 5.0 | +30KV | +30KV | 6.2 | 7.3 | ||
ESD5V0D5 | SOD-523 | 1路 | 5.0 | +30KV | +30KV | 6.2 | 7.3 | ||
ESD5V0D3 | SOD-323 | 1路 | 5.0 | + 15KV | +8KV | 6.2 | 7.3 | ||
ESD5V0K5 | SOT-363 | 1路 | 5.0 | +15KV | + 15KV | 6.2 | 7.2 | ||
ESDBLC5V0AP | SOT-23 | 2 路 | 5.0 | + 15KV | + 15KV | 6.2 | 7.2 | 光纤数据 | |
ESDSLC5V0D3B | SOD-323 | 1路 | 5.0 | + 15KV | + 15KV | 6.2 | 7.2 | 高速数据 | |
ESDSRVLC05-4 | SOT23-6L | 4路 | 5.0 | + 15KV | + 15KV | 6.2 | 7.2 | 以太网、高速数据 | |
ESDSR05 | SOT-143 | 2 路 | 5.0 | +15KV | + 15KV | 6.2 | 7.2 | 二路高速数据 | |
ESD12VAP | SOT-23 | 2路 | 12 | + 15KV | +8KV | 13.5 | 15.75 | 工控设备 | |
ESD12VD5 | SOD-523 | 1路 | 12 | +30KV | +30KV | 14.1 | 15.7 | 串口 | |
ESD12VD3 | SOD-323 | 1路 | 12 | +15KV | +8KV | 13.5 | 15.75 | 笔记本 | |
ESD12VD7 | SOD-723 | 1路 | 12 | +30KV | +30KV | 13.5 | 15.6 | 汽车电子 | |
ESD12VCP | SOT-23 | 2路 | 12 | + 15KV | +8KV | 13.3 | 15.75 | 消费电子 | |
型号 | 封装 | 保护通道数 | VRWM | IEC61000−4−2(ESD) | VBR (V)@ IT | 应用 | ||
Type | package | Channel | v | Air | Contact | Min | Max | APPLICATIONS |
ESDSLVU2.8-4 | SOP-08 | 4路 | 2.8 | +15KV | +8KV | 3 | ~ | 以太网专用 |
ESDSLVU2.8 | SOT-23 | 2路 | 2.8 | +15KV | +8KV | 3 | ~ | 以太网专用 |
ESD5.0VL07 | SOIC-08 | 7路 | 5.0 | +15KV | +8KV | 6 | VC:9.8 | RS232 &RS422 LAN/Wan 设备 微型设备 工控 |
ESD12VL07 | SOIC-08 | 7路 | 12.0 | +15KV | +8KV | 13.3 | VC:19.0 | |
ESD15VL07 | SOIC-08 | 7路 | 15.0 | + 15KV | +8KV | 16.7 | VC:24.0 | |
ESD24VL07 | SOIC-08 | 7路 | 24.0 | + 15KV | +8KV | 26.7 | VC:43.0 | |
ESD24VAP | SOT-23 | 2路 | 24.0 | +15KV | +8KV | 27.8 | 30.3 | 汽车CAN总线 |
*博客内容为网友个人发布,仅代表博主个人观点,如有侵权请联系工作人员删除。