新闻  |   论坛  |   博客  |   在线研讨会
RS瑞森半导体助力实现优秀LLC谐振方案--PCB LAYOUT
reasunos瑞森 | 2022-11-04 15:38:17    阅读:253   发布文章

在众多电源方案当中,LLC谐振方案是电子爱好者热衷讨论的话题,焦点主要集中在两点:PCB LAYOUT与谐振回路;优秀的PCB LAYOUT可以让谐振回路更稳定,糟糕的PCB LAYOUT则会让谐振回路失去稳定性。而千变万化的PCB是产品精髓之处,也是LAYOUT有魅力的原因。

图片

那么接下来小编就结合瑞森RSC6105S的实际应用,分享通过PCB LAYOUT怎样提升LLC谐振方案的稳定性。

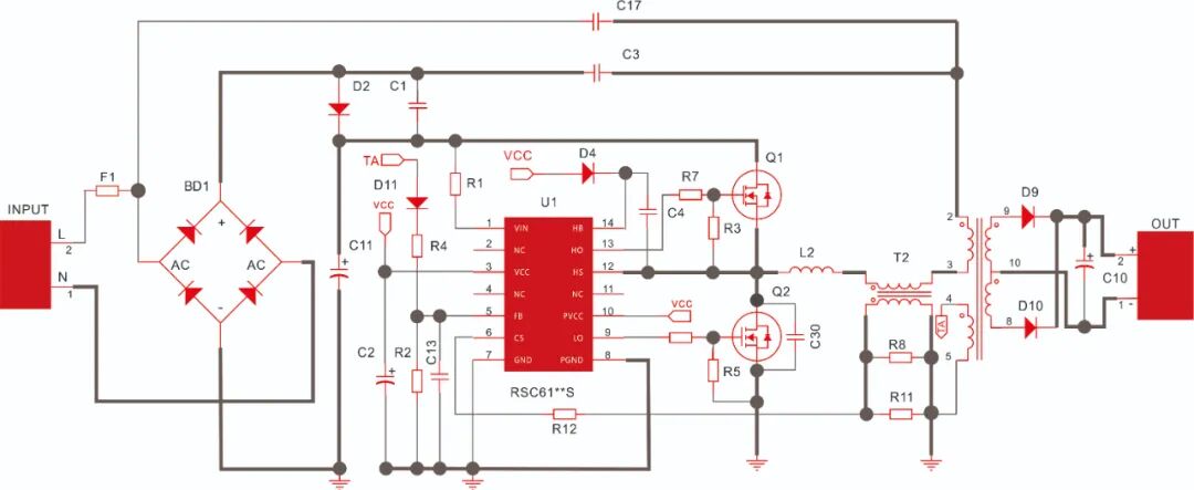
首先开关电源线路的开关特性会使电源的MOS与变压器产生电磁兼容方面的干扰,作为电源设计工程师必须了解产生电磁兼容问题的原因以及解决措施,同时也要避免干扰源的扩大。如图结合实例说明LLC谐振电源方案PCB设计的要点:

图片

典型应用线路图

一、PCB LAYOUT案例分享

结合RSC6105S系列典型应用原理图,小编与大家分享如何做好PCB LAYOUT方案:

1严格遵循功率GND、信号GND分离的原则;

如图示例中G1、G2、G3分别单点连到高压电解C11的负端处,其中G1是重点:LAYOUT注意芯片GND,FB下偏电阻的GND先回到VCC的GND,然后再回到G处。

图片

应用图

2减小主功率环路的面积,包括谐振腔回路、开关功率回路、负载电流回路,可有效减少干扰源的扩大;如图示例中加粗线的部分走线铜箔

3连接MOSFET GATE的走线应尽量减短,但为了减小引线电感,GATE走线可适当加粗;如图示例中Q1、Q2之G端的引线铜箔。

4自举升压回路注意点,自举二极管与电容的节点靠近PIN14之HB脚, 应避免外来干扰引入,影响系统的稳态工作。

5FB引脚的上偏与下偏采样电阻和滤波电容的节点一定要靠近芯片PIN5之FB脚,需要注意的是放置的位置较远时,会影响OVP点以及可拉载的电压点。

6CS引脚的取样电阻R12应靠近芯片PIN6之CS脚,并且要远离存在较高di/dt的走线,减少造成恒流点不稳定因素。

7在使用散热器时,散热器上会有高频电流流过,所以散热器应就近接GND,这样可减少干扰源的扩大。

8芯片背面PCB正上方尽量不要放置与芯片GND存在较高动态电压差的器件,例如变压器、卧躺式且大平面紧贴PCB朝下的TO-220封装MOSFET。

二、实例PCB说明

图片

优秀的PCB LAYOUT可以让电源系统更稳定的工作,远离电场与磁场的干扰,避免系统误动作;顺畅的PCB走线可以让生产线不良率降低,提升直通率;整齐的产品布局可以给产品卖点加分;总之做好产品从PCB LAYOUT开始!

在后续的文章里,将会持续分享相关技术知识,敬请关注!


*博客内容为网友个人发布,仅代表博主个人观点,如有侵权请联系工作人员删除。

参与讨论
登录后参与讨论
官网:www.reasunos.com 快速咨询通道V号: RS4008875512 核心产品:碳化硅基功率器件、硅基功率器件、电源IC管理。
推荐文章
最近访客