新闻  |   论坛  |   博客  |   在线研讨会
RS瑞森半导体-PCB LAYOUT中ESD的对策与LLC方案关键物料选型分享
reasunos瑞森 | 2022-12-02 13:53:14    阅读:230   发布文章

接上一篇:关于 LAYOUT通用原则在LLC系列方案中提升稳定性的应用做分享,本篇对LAYOUT中ESD的对策及瑞森LLC系列方案做设计时,关键物料选型事项继续做分享。

图片

一、PCB LAYOUT中ESD的对策 

(一)PCB LAYOUT的关键中的重点:功率回路经过正确的路径回流。

(二)在不同电位的两个铜箔之间,尤其是高压侧与低压侧的间距需要大于或等于P,如下公式:P 〉0.015*(VA-VB)。

其中PESD安全放电间距(mm);(VA-VB):两点间电压(V)。(如图位置一)

(三)在共模电感两端或安规电容两端加ESD放电铜箔,采用双放电铜箔可以有效提升放电效果,如果长期持续ESD放电则会导致铜箔钝化,则建议采用放电管放电。尖端铜箔设计:尖端铜箔必须是锐角(重点),尖尖相对。(如图位置二)

(四)PCB LAYOUT 铜箔走线采用圆弧状倒角可减少EMC干扰与异常尖端放电。(如图位置三)

图片

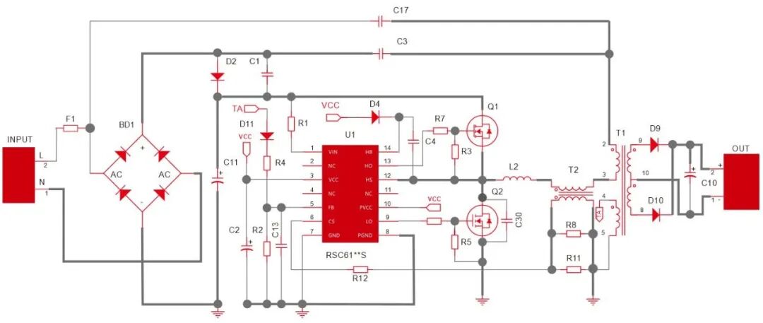
二、RSC6105S-RSC6120S系列关键物料选型注意事项

图片

典型应用线路图

(一)针对瑞森半导体-单级PPFC实现高PF的性能,BD1整流桥的(四个二极管)参与了功率因数校正,四个二极管的须选用具有快恢复特性的二极管,Trr应小于250nS,Trr越小PF值越高,THD相对越小,需要兼顾辐射的结果,类型推荐HER 、FR、US、ES等系列。

(二)电荷泵二极管D1,须选用超快恢复二极管,如Trr小于75ns,类型推荐US、ES等系列。

(三)自举二极管D4,须选用快恢复二极管,配合RSC6105S-RSC6107S时,选用Trr小于250ns,类型推荐HER、FR、US、ES等系列;另外配合RSC6112S-RSC6120S 时,选用Trr小于100ns的超快二极管,类型推荐US、 ES系列。

(四)对于功率大于60W的产品电荷泵电容C1谐振电容C3需要采用MMKP82系列具有高频特性优异的电容,可有效降低电容发热

(五)互感电感T2该电感磁芯不需要研磨气间隙,匝数控制6圈即可互感电感作为一个重要元器件,通过采样主回路电流波形幅度以及频率,经负载电阻R8、R11R12后,转换为电压信号输入到芯片内部压控振荡器,以此来调节输出开关频率,调制增益,实现恒流调节。

(六)主变压器T1有两种模式存在:谐振电感采用独立的电感时主变压器磁芯不需要研磨气间隙,磁芯材质需要PC44等级或以上变压器采用分槽式结构,主变压器与谐振电感集成在一体,有副磁芯的变压器结构,副磁芯需要调整气间隙没有副磁芯的分槽式结构,是通过间距实现漏感做电感,磁芯也不需要气间隙。

三、瑞森半导体无频闪驱动IC产品推荐

运用LAYOUT技巧改善性能,可提升产品性价比,把握关键物料选型可降低产品故障率,缩短产品开发周期,加快产品上线;下图为大家推荐瑞森高PF无频闪LLC方案系列产品:

图片


*博客内容为网友个人发布,仅代表博主个人观点,如有侵权请联系工作人员删除。

参与讨论
登录后参与讨论
官网:www.reasunos.com 快速咨询通道V号: RS4008875512 核心产品:碳化硅基功率器件、硅基功率器件、电源IC管理。
推荐文章
最近访客