新闻  |   论坛  |   博客  |   在线研讨会
RS瑞森半导体在PC电源上的应用
reasunos瑞森 | 2023-02-09 20:02:21    阅读:228   发布文章

PC电源又称电脑电源,是电脑各部件供电的枢纽,是电脑的重要组成部分。主要作用是将220V交流电(全球不同国家电压不同,做到80V-264Vac全球通用)变换为+5VSB、+5V、+12V、-12V、+3.3V等稳定可靠的直流电源,供给主机箱内的系统板、各种适配器和扩展卡、 硬盘驱动器 、光盘驱动器等系统部件及键盘和鼠标使用,具有体积小,效率高等优点,同时兼有过流(OCP)、过压(OVP)、过温(OTP)保护。

图片

一、正激式PC电源介绍

正激式开关电源在硬开关应用中有单管正激双管正激两种。

单管正激,由于变压器需要增加额外的磁复位绕组,在主开关MOS管关断时,MOS管会承受两倍于输入电压的应力,因此在该类拓扑应用中推荐瑞森半导体800V、900V的超高压MOS管,以应对电压变化带来的冲击。

双管正激,它是非常稳定的拓扑结构,工作频率不高,也不会出现过大的冲击电流,对MOS管的要求相对宽松,每个MOS理论上的电压为直流母线电压,对应推荐瑞森半导体500V、650V的高压MOS,同时Rdson较小,可进一步提高效率,通常应用于计算机主电源,中等功率通信电源,变频器等辅助电源。

图片

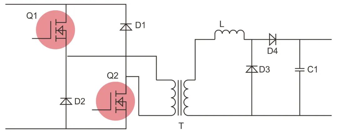
二、正激式典型应用拓扑图

图片

三、典型应用案例

1、单端正激300W-500W,经典IC 3842-3845:

主推RS9N90F / RS8N80F / RS10N80F   (一机1PCS);                

2、双管正激(双晶正激),经典IC CM6805 / 6800 / 6109,功率:350W-2000W:

主推500V系列:

TO-220F: RS9N50F / RS10N50F / RS13N50F / RS15N50F / RS18N50F / RS20N50F / RS25N50F;  

TO-247: RS20N50W / RS25N50W / RS28N50W / RS30N50W;

四、瑞森半导体产品选型推荐

瑞森半导体在PC电源上主推超高压MOS高压MOS推荐如下产品选型表:

图片


*博客内容为网友个人发布,仅代表博主个人观点,如有侵权请联系工作人员删除。

参与讨论
登录后参与讨论
官网:www.reasunos.com 快速咨询通道V号: RS4008875512 核心产品:碳化硅基功率器件、硅基功率器件、电源IC管理。
推荐文章
最近访客