新闻  |   论坛  |   博客  |   在线研讨会
无锡ISO特气供应气站消防设备电源监控的设计与应用
jsacrelclj | 2023-06-21 13:45:16    阅读:170   发布文章

安科瑞 崔丽洁 18706168965

  摘要:本文简述了消防设备电源监控系统的组成原理,分析了消防设备电源监控系统在应用中的设计依据和相关规范。通过安科瑞消防设备电源监控系统在无锡ISO特气供应气站项目的实例介绍,阐述了消防设备电源监控系统功能的实现及其重要意义。

  关键词:消防设备电源;监控系统;AFPM100/B;AFPM3;消防电源监控系统。

  项目概述

  本工程为SK海力士半导体(中国)有限公司无锡ISO特气供应气站项目(ISO)。本工程根据当地消防部门要求设置消防设施联网监测系统,需选用通过国家消防产品型式认可的产品。该系统用于实现火灾报警信息、建筑消防设施运行状态信息和消防安全管理信息在消防控制室图形显示装置上显示并向远程监控系统(大数据平台系统)进行传输的功能。

  本项目设计范围为无锡ISO特气供应气站项目消防设备电源回路,共4台三相双电源配电箱,在消防负荷配电箱内安装消防设备电源电压信号传感器,消防设备电源状态监控器设置消防控制室,系统采用手拉手总线形式组网。

  用户需求

  现代建筑内部, 消防报警、防火、灭火系统种类繁多,并分布在建筑内的各个角落。当灾情发生的时候,消防设备能否处于正常的工作状态, 直接关系到人民生命财产安全是否得到及时保全。

  本项目要求消防设备电源监控系统能通过对无锡ISO特气供应气站项目消防设备的供电电源的故障和异常状态进行监控,及时报警提醒相关人员消除这些隐患,防止发生火灾时,消防设备无电可用,设备不能正常投入使用。

  为便于值班监控管理,中央主机应具有以下主要功能:

  1)按照配电图纸,对各消防回路设备进行监控,掌握消防设备电源的运行情况。

  2)消防设备电源监控系统内部能够实现统一的监控平台,能够得到系统内部全部参数的实时数据;对整个消防设备电源监控系统的智能化管理,能够通过检测消防设备电源的电压状态等相关信息,从而判断消防设备电源是否有断路、短路、过压、欠压、缺相、错相等故障信息。

  3)主机对监控报警和故障报警事件应具有实时打印事件编号、监控部位、事件性质、报警参数及日期时间等数据的功能。报警事件数据应专门储存,有独立的查询界面,并不可修改,以供故障责任分析之用。

  4)除以上条款要求外,主机的其它功能和性能尚应符合国标GB 28184-2011 《消防设备电源监控系统》的规定及GB 25506-2010 《消防控制室通用技术要求》的标准。

  引用标准

  系统的设计满足以下所列制造和试验标准:

  ISO/IEC11801《国际综合布线标准》

  GB/50198《监控系统工程技术规范》

  GB28184-2011 《消防设备电源监控系》

  GB25506-2010 《消防控制室通用技术要求》

  GB/T 50314-2006 《智能建筑设计标准》

  GB50016-2006 《建筑设计防火规范》

  GB50303-2002 《建筑电气装置工程施工质量验收规范》

  JGJ 16-2008 《民用建筑电气设计规范》

  GB50052-2009 《供配电系统设计规范》

  GB50054-2011 《低压配电设计规范》

  解决方案

  系统结构

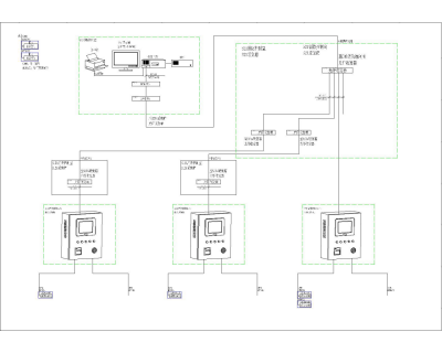
  无锡ISO特气供应气站项目消防设备电源监控系统采用消防设备电源状态监控器+电压传感器的二层结构组网模式。根据项目实际要求,为该项目配置消防设备电源监控系统的电压传感器型号为:AFPM3-2AV,消防设备电源状态监控器型号为:AFPM100/B。AFPM100/B设置在消防控制室,引出4根RS485总线及DC24V电源线与现场配电箱内的传感器相连,消防电源主机图文显示。系统拓扑结构如下图:

图片

  AFPM100/B系统功能

  ①监控报警功能

  1)被监控设备电源回路开关状态

  2)被监控设备电源的工作状态(电压、电流及报警状态信息)

  3)报警响应时间:≤100s

  4)报警声信号:可手动消除,当再次有报警信号输入时,能再次启动

  5)报警光信号:红色LED指示灯常亮

  ②控制输出功能

  1)对个别或全部被监控设备的报警继电器进行远程遥控操作

  2)监控器控制输出:常开无源触点,容量:AC250V 3A或DC30V 3A

  ③故障报警功能

  1)监控器与模块(电压/电流信号传感器)之间的连接线断路、短路

  2)监控器主电源欠压(≤80%主电源电压)或过压(≥110%主电源电压)

  3)监控器与其分体电源间连接线断路、短路

  4)当监控器出现以上故障时,能发出与监控报警信号有明显区别的声光故障报警信号

  5)故障报警响应时间:≤100s

  6)故障报警声信号:手动消除,当再次有报警信号输入时,能再次启动

  7)故障报警光信号:黄色LED指示灯常亮

  8)故障期间,非故障回路的正常工作不受影响

  ④自检功能

  1)连接检查:通信线路及分体电源线路的断路、短路

  2)设备自检:手动检查或系统自检

  3)自检耗时:≤60s

  ⑤报警记录功能

  1)记录10000条相关故障报警信息

  2)报警类型:故障类型、发生时间、故障描述

  3)报警事件查询

  4)报警记录打印

  ⑥打印功能

  监控系统可汉字打印,可打印报警事件及时间、故障事件及时间。

  ⑦消音

  在发生报警或故障等警报情况下,监控设备的扬声器会发出相应的报警声加以提示,按“消音”键扬声器终止发出警报,报警灯绿灯亮。期间工作人员可以对有关故障进行处理。一切回归正常,报警灯灭。如有新的故障发生时,消音指示灯灭,扬声器将再次发出警报声。

  结束语

  消防设备电源监控系统对于确保建筑消防设施运行状态完好,提高消防安全管理水平和及时发现消防设备故障,预防和减少火灾危害具有非常重要的作用。

  该系统不仅为公安消防部门的执法监督和设计施工单位的实际应用提供了技术依据,更为率先实现有效降低消防设备故障发生率和建筑火灾隐患,为保障人民生命和国家财产安全产生积极的作用。消防设备电源监控系统能够对消防设备的电源进行实时的监控,通过检测消防设备电源的电压、电流、开关状态等有关设备电源信息,从而判断电源设备是否有断路、短路、过压、欠压、缺相、错相以及过流(过载)等故障信息并报警、记录。此系统具有可靠性、实时性并具有数字化、智能化、网络化、自动化和连续监控的特性。实时反映出被监控设备电源的状况,并集中显示,从而可以有效避免在火灾发生时,消防设备由于电源故障而无法正常工作的危急情况,最大限度的保障消防联动系统的可靠性。


*博客内容为网友个人发布,仅代表博主个人观点,如有侵权请联系工作人员删除。

参与讨论
登录后参与讨论
智慧配电,安全用电,电气火灾监控,无线测温,物联网云平台,企业能耗系统,电力监控系统!
推荐文章
最近访客