新闻  |   论坛  |   博客  |   在线研讨会
生物制药企业安全供电的重要性
jsacrelclj | 2023-07-04 15:31:24    阅读:171   发布文章

安科瑞 崔丽洁 18706168965

       摘要:生物制药企业一直践行“以质量为本”的生产原则,结合药厂GMP洁净厂房的特点及实际,需避免突然停电造成设备损坏及产品报废,加强药厂供电管理。结合用电安全要求及现状,为确保生产设计一个技术先进、功能齐全、安全可靠的供电系统为目的,从药厂供电系统、供配电管理、运营等方面,浅谈药厂安全供电系统建设与管理的具体做法及经验,阐明了安全供电的重要性。

  关键词:可靠生产;用电安全;供配电

  引言

  生物制药是一个特殊行业,特别是生物制品(疫苗)的生产,须连续生产。每批产品从开始到出成品的整个周期,都要保证外环境达到要求。生产设备须正常运转,才能生产出合格的产品。生产工艺设备不仅对电源的电压、频率要求稳定,还应保证在连续生产周期中电力不能中断,这就要求有一套可靠的供电系统。

  供电规范及现状

  电力负荷分类

  电力网上用电设备所消耗的功率称为电力负荷。按其重要性及对供电可靠性的要求,电力负荷可分为以下三类:

  一类:中断供电会造成人身伤亡及重大经济损失,损坏重要设备,破坏生产工艺过程,使生产长期不能恢复或产生大量废品。生物制药(疫苗)生产属于一类负荷。

  二类:中断供电会造成经济较大损失,损坏生产设备,产品大量减产,停顿较长时间才能恢复生产。

  三类:除上述一,二类外的一般负荷,均为第三类负荷,如一般的辅助车间及照明负荷等。

  基本要求

  根据国内供电规范及生物制药中疫苗生产的特殊性,采用两路35千伏市电供电。高压系统主接线为单母线带各自负荷,分段运行。中间设联络开关,两电源互为闭锁,备用自投。

  生物制药行业一般列为一、二类供电负荷,故投资较大。采用双回路两个独立电源,再设置1台备用发电机,以备应急。部分关键用电设备应配UPS电源(单相或三相)。以保证产品质量及设备安全。本研究所采用安科瑞的Acrel-BP生物制药能效管理平台,该平台具有以下功能:

  (1)供电可靠

  如图1,对35kV变电站、10kV变电所和10kV柴油发电机部分,在变电站设置Acrel-1000变电站综合自动化系统子站,实现本地遥测、遥信、遥控、报警、报表等功能,并把数据上传至AcrelEMS-BP能效管理平台,实现集中监测和报警。

图片

图1 变电站综自系统

  (2)保证供电质量

  生物制药企业生产设备对电源的进线质量要求比较高。AcrelEMS-BP能效管理系统监测各进线回路电能质量,包括暂态、稳态数据波形记录,并提供电能质量分析报告。

  供电频率和供电电压偏离额定值的幅度不超过允许的范围。否则,电气设备的远行会不稳定,甚至损坏电气设备。我国规定交流供电标准频率为50Hz。偏差不超过±0.2~±0.5,电压不超过±7%。

图片

图2 电能质量监视分析

  (3)供电安全

  系统监测断路器、母排、线缆接头、密集型母线槽接点温度并实时预警。

图片

图3 无线测温

  供电方式

  该研究所的供电,考虑了供电的可靠性,中心变电站采用双进线的变电站(图2),电源进线为35kV。出线10KV电压经开闭所传到研究所各单体实验室,研究所内设置了2处变电所(图4),降为380/220V。当一回路进线断电或变压器故障,检修时可采用联络开关使重要负荷保持供电。

  中小型生物制药企业进线电压可能为10KV,只设置了一处高压变电所,采用2台变压器,可单独运行。

图片

图4 中心变电站开关柜

图片

图5 动物站房变电所开关柜

  如图5,因生物制品车间一、二类负荷较多,考虑到车间供电的可靠性,可将小型企业供电系统用到车间配电站,采用2台变压器供电。当负荷变动较大时,为减少变压器空载损耗,可在负荷低谷时切断1台变压器。当同时启用2台变压器时,每台容量应大于计算负荷的60%或一、二类负荷总容量。

  配电设施

  电气主接线图又叫一次接线图,它是表示电能传送和分配路线的接线图,直接连接的变压器、高压开关、低压开关、互感器等电器设备,叫做一次设备。整个研究所采用两路35KV市电进线,当一路进线电源中断时,可通过失电切换到另一路线路上去,保证整个厂区的正常工作。(图6)

图片

图6  35KV进线接线图

  电气主接线直接影响变配电所的技术经济性能和运行质量,故在确定生物制药车间变电所的电气主接线时,应满足下列要求:能保证其供电可靠性;接线图力求简明,以便运行操作和减除故障;应保证操作时的人身安全和在安全条件下进行维修工作;留有维修空间;考虑备用电源,满足在生产期间不因停电造成重大损失,备用电源还可用于应急照明;考虑功率因数问题,一般不低于0.9,应在变电站内安装无功补偿柜进行集中补偿;考虑到生物制药的特殊性,可采用双回路和两台变压器的主接线图(图7)。

图片

图7  10KV双回路进线变压接线图

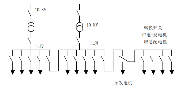
  当其中一路进线电源中断时,可通过低压母线联络开关将断电部分的负荷换接到另一路线路上去,保证其中的重点设备继续工作。双回路电源进线应是两个独立的电源。同时增加市电~发电机转换开关,供应应急电源配电柜。

  应急电源系统

  生物制品(疫苗)生产中,可根据设备的重要性将电力负荷分为三类。一类负荷包括分装线、冻干机、细胞培养转瓶机、毒种低温冰箱、火灾报警及联动控制设备、消防泵、安全监控系统、应急照明、疏散照明等。二类负荷一般包括普通客梯、生活水泵、一般排风机等,其它为三类负荷。

  柴油发动机配置

  在一类负荷电力设计中一定要设置柴油发电机组.对一类供电负荷中特别重要的负荷提供电源。应急柴油发电机组的容量大小根据1级负荷、消防负荷以及某些重要的2级负荷容量来确定,一般以变压器总安装容量的15%~20%来配置。

  不间断电源装置

  针对分装线中高温灭菌隧道的停电保护措施,短时间的停电可启动UPS不间断电源作为后备保护,应急供电时间为30~90min,如图9。如较长时间的停电可切换到柴油发电机供电,启动到电流平稳至少需要15~20S时间。

  应急照明配置

  在变配电站、柴油发电机房、消防控制中心、中央监控室、水泵房、生产区、地下室、技术夹道(层)、楼梯间及门厅等场所设置应急照明。在走廊、安全出口、大厅、楼梯间等处设疏散指示灯。

  电气设备管理及维护

  电是生产的重要能源之一。电气设备的故障,将造成生产的损失,故应加强管理,对电气设备由单独部门负责,配备一定数量电气工作人员并符合上岗条件,制定相应的运维管理制度。

  任务管理

  任务管理是用户对平台运维能力,包括定期巡检、缺陷处理、报警减除、故障抢修和工单通知功能的综合管理页面,用户可使用该页面发布各类型任务及巡检操作票给相关人员,通过查看详情跟进任务的执行情况与巡检明细。

图片

图8  设备运营管理

  巡检记录

  巡检记录是针对巡检类型的任务在流程中需要管理的节点与数据进行统一监测的页面,主要关注巡检任务流程中的负责人、执行人进度,巡检的结束时间,签到的偏差,巡检的项目和发现的缺陷问题数量等内容。

图片

图9  设备巡检记录

  用户报告

  运行报告主要监测一段时期内工厂的用电量、负荷、谐波情况、不平衡度、功率因数波动情况、事件发生统计及现场运维情况,通过自定义标准对站点各数据进行分析并给出一定的建议,为用户分析站点运行状态给出一定的依据。

图片

图片

图10  用户报告

  结语

  AcrelEMS-BP能效管理系统,集变电站综合自动化、电力监控、电能质量分析及治理、电气安全、能耗分析、照明控制、设备运维于一体。

  本研究所采用安科瑞AM6系列的微机保护装置、电气接点温度在线监测装置、电能质量在线监测装置,对整个研究所的的变电站、变电所、配电房进行实时的监控及管理。智能配电监控保护类、监测类产品解决方案对于供配电系统的可靠稳定运行起着至关重要的作用,尤其是微机保护装置在电力系统中具有举足轻重的地位,它能够反应设备的故障和不正常工作状态并自动迅速地、有选择性地动作于断路器将故障设备从系统中切除,保证无故障设备继续正常运行,将事故限制在较小范围,提高系统运行的可靠性,保证向用户安全、连续供电。


*博客内容为网友个人发布,仅代表博主个人观点,如有侵权请联系工作人员删除。

参与讨论
登录后参与讨论
智慧配电,安全用电,电气火灾监控,无线测温,物联网云平台,企业能耗系统,电力监控系统!
推荐文章
最近访客