新闻  |   论坛  |   博客  |   在线研讨会
灭弧式智慧用电在养老机构的应用
jsacrelclj | 2023-08-11 09:40:06    阅读:217   发布文章

安科瑞 崔丽洁 18706168965

摘要:2020年,我国65岁及以上老年人口数量为1.91亿,老龄化率达到13.5%。总体来看,大部分省市的养老机构数量还较少。养老设施的建设与民生息息相关,养老院的电气安全也非常重要。如果发生电气火灾,对于行动不便的老年群体非常不利,所以,建设干净,整洁,卫生,而且安全的养老环境很有必要。ASCP系列电气防火限流式保护器(灭弧式智慧用电)可以合理克服传统断路器、空气开关和监控设备存在的短路电流大、切断短路电流时间长、短路时产生的电弧火花大,以及使用寿命短等弊端,当发生短路故障时,能以微秒级速度快速限制短路电流以实现灭弧保护,从而能显著减少电气火灾事故,保障使用场所人员和财产的安全。

  关键词:养老院;敬老院;福利院;疗养院;灭弧式智慧用电;限流式保护器;短路保护

  行业背景

  截至2020年11月1日,我国的总人口数量为14.12亿,仍保持增长状态,中国也仍然是世界上人口多的国家。但是,我们的出生率在逐年下滑,而死亡率基本持平。我们的老龄化率也在加速上升,2020年,我国65岁及以上老年人口数量为1.91亿,老龄化率达到13.5%。

  尽管老龄化会带来一些不利因素,但是我们新中国特色社会主义坚持以人民为中心的发展思想从来没变。党的十九大报告明确提出要在幼有所育、学有所教、劳有所得、病有所医、老有所养、住有所居、弱有所扶上不断取得新进展。这实际上为我们的社会福利体系提出了一个基本蓝图,就是要以“全生命周期”为出发点提供基本公共服务的任务清单。

  目前,国内现存的养老院分布大多分散且体量较小;同时,国营养老院仍然占据市场主导地位。而在国家养老PPP模式的推动下,以及民营机构运营性的不断提升,预计未来公办民营性质的养老院数量将有所增加。

  从养老院区域分布情况来看,据前瞻产业研究院发布的《中国养老院行业市场前瞻与投资规划分析报告》统计数据显示,目前,我国养老院数量多的是四川省,拥有各类养老院2386家,在全国所占比重为8.13%;其次是江苏省,养老院数量也在2000家以上;此外,包括山东、辽宁、广东等在内的11个省份养老院服务机构数量占比也相对较大,数量在1000家以上。但是,总体来看,大部分省市的养老机构数量还较少。

  养老设施的建设与民生息息相关,养老院的电气安全也非常重要。如果发生电气火灾,对于行动不便的老年群体非常不利,所以,建设干净,整洁,卫生,而且安全的养老环境很有必要。

  其中浙江省消防事业发展 “ 十四五 ”规划中提到“加快在重点场所、重点单位推广应用灭弧式智慧用电、燃气安全智能控制等物联网感知技术,将火灾高危单位和设有自动消防设施的高层建筑接入城市消防远程监控系统,实现信息采集汇聚自动化。”

  浙江省印发的《浙江省养老机构消防安全标准化管理规定(试行)》文件中第十七条 养老机构应建立用电防火安全管理制度,用电防火安全管理符合下列要求中提到“…(六)鼓励养老机构安装灭弧式智慧用电等设备,提高技防水平。”

  产品介绍

  ASCP系列电气防火限流式保护器(灭弧式智慧用电)是安科瑞专门为了保护低压配电线路中短路、过载等问题研发,可以合理克服传统断路器、空气开关和监控设备存在的短路电流大、切断短路电流时间长、短路时产生的电弧火花大,以及使用寿命短等弊端,当发生短路故障时,能以微秒级速度快速限制短路电流以实现灭弧保护,从而能显著减少电气火灾事故,保障使用场所人员和财产的安全。

  该系列产品可广泛应用于学校、医院、商场、宾馆、娱乐场所、寺庙、文物建筑、图书馆、档案室、会展、住宅、仓库、幼儿园、老年人建筑、集体宿舍、电动车充电站及租售式商场商铺、批发市场、集贸市场、甲乙丙类危险品库房等各种用电场所末端干、支路的线路保护。

  对于养老院、敬老院、福利院等场所,宜在末端配电回路中增加电气防火限流式保护器,保障照明、插座等用电回路的电气安全。

  功能介绍

  产品型号外观以及功能如下图所示:

图片

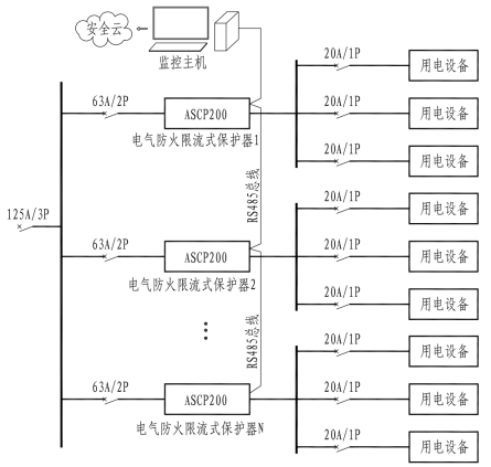
  系统组网

图片

  ASCP系列电气防火限流式保护器可以通过有线通讯的方式接入电气火灾监控主机,也可以通过无线通讯的方式接入安全用电管理云平台、智慧消防云平台或者其他云平台,方便管理人员对所有安装了电气安全类产品的养老场所进行维护管理。

图片

  平台界面如下所示。

图片

  安全用电管理云平台和智慧消防云平台采用B/S架构,可以直接网页访问,通过4G/光纤/NB-IoT等方式接入灭弧式智慧用电产品以及电气火灾探测器、故障电弧探测器等其他智慧消防产品,实现电气安全监测。用电信息和故障报警可以通过平台、APP推送、****推送、微信公众号推送、微信小程序推送、钉钉推送、邮件推送或者语音呼叫等多种方式进行实时报警。

  可以在养老机构的房间,活动区,食堂,休息室等建筑设置灭弧式智慧用电以及其他电气火灾和消防类产品,实现电气安全防护,保障养老机构的正常运行以及老人的生命财产安全。

  智慧消防云平台可以作为区域化管理平台,管理一个区域内所有养老机构的电气安全,实现区域整体化管理,减少人力物力。

  结语

  随着我国养老规划中提出大力发展居家社区养老服务、加速公办养老机构改革、支持社会力量兴办养老机构、加强农村养老服务、完善医养结合机制等措施。我国居家为基础、社区为依托、机构为补充、医养相结合的养老服务体系更加健全。

  在老有所养的情况下,老年群体能够舒适安全的养老更加重要。关注电气火灾预防与治理,能够合理保障老年群体的生命和财产安全。相信在规范和技术相结合的情况下,我国的养老事业能够健康,安全地发展。


*博客内容为网友个人发布,仅代表博主个人观点,如有侵权请联系工作人员删除。

参与讨论
登录后参与讨论
智慧配电,安全用电,电气火灾监控,无线测温,物联网云平台,企业能耗系统,电力监控系统!
推荐文章
最近访客