新闻  |   论坛  |   博客  |   在线研讨会
10A!专为汽车车身域而生的大电流马达驱动TMI8122-Q1
拓尔微电子 | 2023-09-15 15:28:04    阅读:382   发布文章

汽车全车的电子电气架构一般分为五大域:动力域、底盘域、车身域、座舱域和自动驾驶域。每个域实现不同的功能,车身域控制器主要控制各种车身功能,包括但不限于对于可旋转中控屏、后视镜折叠、门锁、门把手、口盖等的控制,这些驱动电流大的场合需要更大峰值电流的马达驱动芯片来实现。

图片图片拓尔微TMI8122-Q1专为智能汽车车身域打造,峰值电流高达10A,有着更强的电流能力,适用于汽车后视镜折叠、门锁驱动、隐藏式门把锁等驱动电流偏大的场合。内部集成电流感应和反馈功能,0.2ohm超低内阻,功耗更小。

图片

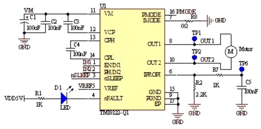
TMI8122-Q1应用原理图

集成恒流斩波功能,减小发热

TMI8122-Q1集成恒流斩波功能可用于限制电机的启动电流或堵转电流,用于减小电机的发热和限制电机功率;下图为恒流斩波功能测试波形图,通过设置参考电压VREF和采样电阻Ripropi可以起到限制电机电流的效果:图片

内建电流检测功能,简化设计

TMI8122-Q1内建电流检测功能,简化外围电路设计,PCB面积缩小,无需外部功率电阻即可实现精确电流采样。通过Ripropi将IPROPI引脚流出的比例电流转换为电压,实现对负载电流的实时检测。波形如下图:图片

内置多种保护功能和故障检测,提高可靠性

TMI8122-Q1内部集成限流、OCP、OTP、UVLO多种保护功能nFault故障检测模式在应用中不易失效更加可靠,且电路简单进一步降低故障率,提高系统可靠性。nFAULT引脚可对欠压、过流、过温等情况进行异常反馈;当出现以上异常时,nFAULT引脚会被拉低。以下举例欠压保护,当输入电压低于阈值电压4.3V后,nFAULT引脚被拉低,如下图:图片欠压保护

三种控制模式,使用更灵活

TMI8122-Q1支持三种控制模式,PH/EN、PWM、独立半桥模式,使用更加灵活;两颗TMI8122-Q1在半桥模式和合理的逻辑控制下驱动三个电机,以实现折叠/展开、上/下调和左/右调三个动作,详细方案应用原理图可咨询我司进一步技术交流。

产品特点

· 高集成度1通道有刷马达驱动

· VM电压范围:4.5V~37V

· 输出内阻Rdson(HS+LS):0.2ohm@1A,持续电流4A,峰值电流达10A

· 内建OCP Retry & Latch模式

· 封装:HTSSOP16

*博客内容为网友个人发布,仅代表博主个人观点,如有侵权请联系工作人员删除。

参与讨论
登录后参与讨论
推荐文章
最近访客