新闻  |   论坛  |   博客  |   在线研讨会
施密特触发器光耦特性
13760246537 | 2025-06-12 10:18:24    阅读:210   发布文章

施密特触发光电耦合器(Schmitt Trigger Optocoupler)是一种结合了光耦隔离与施密特触发特性的器件,晶台光电推出的KLH11LX系列(如KLH11L1/L2/L3)正是此类产品的典型代表。密特触发器,对接收的光信号进行整形和噪声抑制。施密特触发器的阈值电压分为高阈值(Vₜ₊)和低阈值(Vₜ₋),可有效消除输入信号的抖动或噪声,确保输出信号干净、稳定滞回功能产品均通过了ULCEVDE等安全认证。 

图片

该器件采用6引脚DIP封装,并有宽引脚排距DIP-MSMD选项。其关键电性能特性,取决于发射端的红外二极管和接收端的施密特触发器特性。 

图片

▲典型的施密特触发器电路

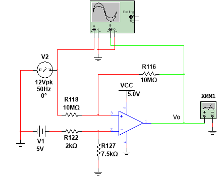
图片

▲滞回特性波形图

红色部分正弦波是一个50Hz的输入信号,振幅12V,接入到施密特触发器Vin同相端,绿色为触发器输出信号;图中可以清楚地看到,红色上升沿检测箭头所指交叉点,是触发比较器输出5V脉冲上升沿触发点,而正弦波的下降沿触发输出转换成低电平时,明显低于上升沿的触发电压点。由此形成了一个滞回电压。

上述所涉及的施密特触发器单元,历经精细且专业的设计流程,最终打造成为一款隔离型施密特触发器元件。该元件巧妙融合了高速施密特触发器与隔离器的双重功能特性,在信号处理及电气隔离方面展现出独特优势。

KLH11LX为一种具有正反馈特性的比较器电路,经过光电隔离设计,在电子设备和电路中扮演着至关重要的角色。其用途广泛,涵盖了信号处理、波形变换、脉冲整形、脉冲鉴幅、振荡电路、电源监测、数字逻辑电路等多个领域。

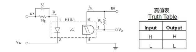
图片

▲反相逻辑接法

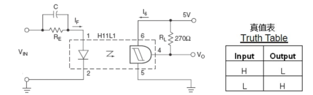
图片

▲同相逻辑接法

普通逻辑触发器光耦,能够高效地实现在同一阈值的信号切换检测输出,而施密特触发器光耦通过引入滞回特性,使得输入信号在达到一个较高的正向阈值时才会触发输出状态的变化,而在降低到一个较低的负向阈值时才会再次改变输出状态。这种双阈值特性有效地抑制了噪声和干扰信号,提高了电路的稳定性和可靠性。

因此,施密特触发光耦,适合广泛的应用场景,例如:

按键去抖动:施密特触发器这种特性,可以应用到系统按键的硬件去抖动,消除按键接触瞬间的抖动干扰,或误触发按键。

波形整形假设输入信号不是一个标准的正弦波,可能叠加了很多高次谐波信号,此时,使用施密特触发器光耦,不仅可以将边沿变化缓慢的周期性信号变换为边沿很陡的矩形脉冲信号,同时可以将谐波信号滤除,这种整形后的脉冲信号具有更高的抗干扰能力和更好的传输性能。

其它广泛的应用,值得广大同仁精英们进行研究探讨。总之,施密特触发光耦,以其独特的电路结构、输出特性,可以满足不同电路领域的应用。


*博客内容为网友个人发布,仅代表博主个人观点,如有侵权请联系工作人员删除。

参与讨论
登录后参与讨论
高端光耦 首选晶台。为客户提供:晶体管光耦、可控硅光耦、高速光耦、固态继电器、达林顿光耦、施密特触发器、IGBT驱动光耦、IPM驱动光耦。
推荐文章
最近访客