新闻  |   论坛  |   博客  |   在线研讨会
一般光耦的开关电路设计
13760246537 | 2025-06-24 09:23:00    阅读:167   发布文章

在高速数据传送中,设计人员选择高速率的光电耦合器时,对于大多数应用,只需要合理应用厂商设计的数据传输速率(DTR),一般都可以正常通过设计论证。

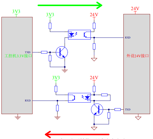
相较于高速率(数百kbps以上)的信号传送,数kHz或几十kHz带宽的PWM信号,较为常见。例如,在PWM灯光光、直流电机转速、温湿度等调节电路中。针对部分RS485,RS232等接口信号,不仅需要准确传送高低电平bit,还需要适配不同的电源系统的电平兼容;下图一、是关于UART信号典型应用,这些输送的驱动信号频率,大部分集中于此较低的频率范围。此时采用高速率的驱动器,不是最佳性价比的选择。常见的设计是用一般晶体管光耦实现,利用其开关特性,传输PWM信号或较低速率的通信数据。

图片

图一、9600bd串口隔离电平转换参考电路。

那么,一般光耦的带宽是多少呢?我们以市场上最常见的KL817光耦为例,其规格书标称的截止频率fc=80kHz;照此推算,较低误码或丟码率时,有效带宽估计在40kHz左右,依电路参数设计不同。

图片

一般光耦类型主要是晶体光光耦,主要型号有KL817,KL357,KL3H7,KL1018,KL1019KL118,KL851,KL4N25,KL4N35,KL2501,KLCNY17等,这些系列的产品,通常会根据设计的CTRIFIC等参数以及PCB布局尺寸,隔离安全电压要求不同而进行选择。

图片


图二、测试电路原理

图二是一个同相输出的测试电路,为方便测试,输入与输出端未做隔离,采用同一个电源供电。

从以上原理图可以看出,一般的晶体管光耦合器应用,类似于三极管(BJT)的特性,可以通过查看产品规格书可以获得其传输特性。我们主要探讨的是其开关特性,因此,电路将设置成输出端处于饱和导通与截止两种状态。trtf都需要尽量的避免被增加,也可以采用一些加速电路进行处理,但这里主要测试光耦本身的特性,不增加其它的电路设计。

在下一期中,我们再详细探讨一般晶体管光耦合器在不同频率下的开关特性。


*博客内容为网友个人发布,仅代表博主个人观点,如有侵权请联系工作人员删除。

参与讨论
登录后参与讨论
高端光耦 首选晶台。为客户提供:晶体管光耦、可控硅光耦、高速光耦、固态继电器、达林顿光耦、施密特触发器、IGBT驱动光耦、IPM驱动光耦。
推荐文章
最近访客