新闻  |   论坛  |   博客  |   在线研讨会
一般晶体管光耦的开关特性
13760246537 | 2025-06-26 09:53:54    阅读:182   发布文章

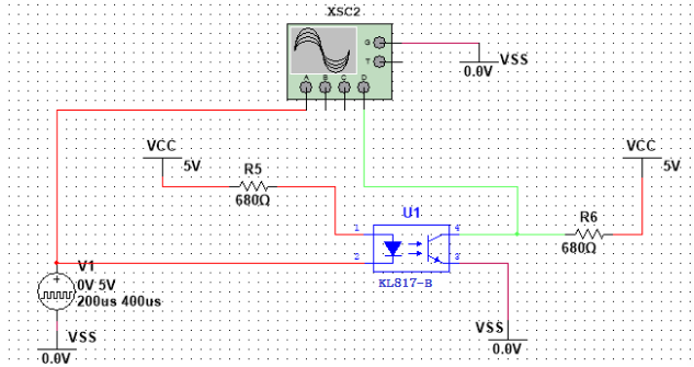
我们通过仿真电路来模拟上一期介绍的开关电路,对实际设计有一定的参考意义。以下电路采用方波duty=50%为例,以不同的输入端频率进行仿真测试。首先,Vcc=5VR5R6的取值遵循开关特性参数测试要求,此处输出导通Vce约为0.2V(Vol10%Vcc),为方便观察高电平交叉点,采用同相输出接法。需要说明的是,本篇我们只考虑固定的R5R6值,也就是确定的IFIC电流,选定确定的Cton范围130~260%;并且工作在相对理想的开关状态。不同的IFIC值对电路输出的影响,将以后的资料中进行交流。本文重点分享tontoff的对传输带宽的畸变过程。

一、输入2.5kHz信号频率时,绿色的tontoff与输入红色信号相比,有明显响应斜率。图二可以看到,此时tontoff时间远小于PWM的脉宽时间300us。图三图四分别放大图显示,ton约为8.4ustoff约为6.1us。根据不同的设计需要,可以自行确定选择在高频或高传输速率有效电平脉宽实际值。由此可以推测出,输入信号频率是1kHz时,PWM脉宽为500us,得到的高电平输出有效脉宽约为491.6us,低电平有效脉宽约为493.9us.接近于输入方波,更低的输入频率意味着能获得更高拟合度的输出波形。

图片

▲图一、2.5kHz输入 

图片

▲图二、2.5kHz输入与输出端ton,toff

图片

▲图三、2.5kHz输出端ton

图片

▲图四、2.5kHz输出端toff

二、把输入信号频率增加到25kHz,如下图五图六,此时的绿色输出曲线,有明显的上升和下降时间,tontoff占据接近一半脉宽。因此,在25kHz输入信号下,输出端的响应,可能影响数据信号的有效传输;在驱动PWM的功率器件时出现过高的功耗;在调制信号出现如此畸变,输出可能需要增加额外的整形电路,但依然存在一定的延时。可以预计,当输入频率继续增加时,在输出端得到的波形将被tontoff覆盖更多有效脉宽。图七和图八显示,tontoff时间较2.5kHz时,没有明显改变。

图片

▲图五、25kHz输入 

图片

▲图六、25kHz输入与输出端ton,toff

图片

▲图七、25kHz输出端ton

图片

▲图八、25kHz输出端toff

三、把输入信号频率增加到33kHz,如下图九图十,输出端的波形较25kHz频率时,有更严重的畸变,此时更不利于呈现输入端的方波。如果继续增加输入端信号频率同时改变输出负载(此处为R6),波形便会逐渐变成tontoff的最大时间斜率波形,直至输出端的曲线变成锯齿状,此时为截止频率fc=80kHz,超出fc频率后,输出逐渐趋近于直线,再无可调节的意义。不过,如果调节电路设置,在某些应用中,依然能满足特定的设计需求,但是可能会牺牲其它特性。

图片

▲图九、33kHz输入 

图片

▲图十、33kHz输入与输出端ton,toff

图片

▲图十一、33kHz输出端ton

图片

▲图十二、33kHz输出端toff

四、下图十三,是80kHz的输入与输出波形,可以发现tontoff的上升下降沿均被限制,不是原来的0.2V5.0V峰谷电压。变成了类似锯齿波,Vp-p3.9V

图片

▲图十三、80kHz输出端ton,toff

图片

以上表格是不同频率的输入与输出脉宽测试记录,可见有效脉宽随着频率增加逐渐变小,或认为有效电平占比变小。设计电路时,可能根据取舍参数确立不同不同ICIF的电流。

综上所述,根据不同频率的设定来观察输出曲线的变化,可以得知,ton,toff是电路带宽的极限,波形逐渐演变,变成无高低电平设计效果的三角波,最终将随频率的增加趋近于某个电平的直线,其参考价值可能在于PAC类产品。通过以上测试,有助于我们进行开关信号的隔离传输设计,以满足设计需求,达到高性价比的选择。


*博客内容为网友个人发布,仅代表博主个人观点,如有侵权请联系工作人员删除。

参与讨论
登录后参与讨论
高端光耦 首选晶台。为客户提供:晶体管光耦、可控硅光耦、高速光耦、固态继电器、达林顿光耦、施密特触发器、IGBT驱动光耦、IPM驱动光耦。
推荐文章
最近访客