新闻  |   论坛  |   博客  |   在线研讨会
【awinic inside】艾为芯×AI大模型重塑会思考的电子玩伴
艾为 | 2025-08-11 17:17:05    阅读:272   发布文章

图片

图1 会说话的汤姆猫


AI浪潮的掀起带动了一场关于童年陪伴的智能进化。AI童伴——会说话的汤姆猫,正引领着童年陪伴的全新变革。汤姆猫能够与孩子进行自然流畅的智能对话,对各类语音指令迅速做出精准反应。得益于AI大模型的强大赋能,让汤姆猫不仅能够轻松应对中英文交流,还可以成为万物百科,无论是生活常识还是宇宙奥秘,为孩子一一解惑。


AI童伴,会说话的汤姆猫搭载艾为16通道GPIO & LED Driver 二合一芯片,通过GPIO高效扩展,实现硬件资源精细化管理与灵活调度。该芯片支持多任务并行处理,可驱动多种功能模块协同运作,为 AI 玩具增添丰富的交互场景。



产品特性

 

  • 16通道多功能I/O,各通道均可作为GPIO扩展或LED恒流驱动
  • 作为GPIO扩展时,各通道均可独立设置为输入或输出
  • 作为LED恒流驱动时,各通道256级调光,支持1680万色RGB
  • 支持复位&中断功能,具有8μs抗尖峰脉冲抑制能力
  • SCL、SDA、RSTN、GPIO支持1.8V逻辑电平输入
  • I²C地址可通过AD0、AD1 扩展
  • 供电电压:2.5V-5.5V
  • 封装规格:QFN 4×4-24L,QFN 3x3-24L

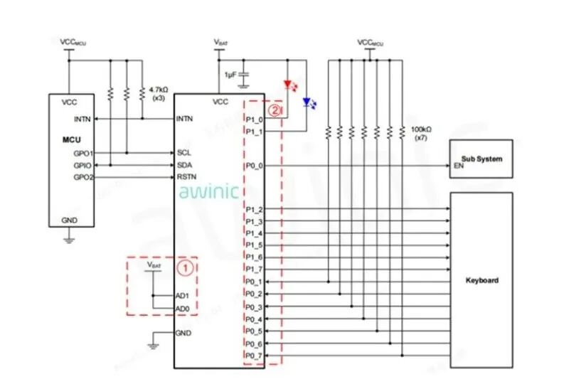
图片

图2 16通道GPIO展芯片应用框图


AI玩具的强势崛起,正不断挖掘并释放玩具陪伴功能的无限潜力,将其发挥至极致。而在这一激动人心的变革进程中,艾为产品凭借自身卓越的性能与创新设计,如同坚固有力的助推器,为 AI玩具实现更加多元、高效的交互功能提供坚实支撑,携手开创 AI玩具行业的崭新时代。


*博客内容为网友个人发布,仅代表博主个人观点,如有侵权请联系工作人员删除。

参与讨论
登录后参与讨论
上海艾为电子技术股份有限公司创立于2008年,专注于高性能数模混合信号、电源管理、信号链等IC设计,2021年8月在上交所科创板成功上市
推荐文章
最近访客