新闻  |   论坛  |   博客  |   在线研讨会
【awinic inside】揭秘!Meta最新AI眼镜,用了多少颗艾为芯?
艾为 | 2025-09-25 15:00:54    阅读:118   发布文章

北京时间9月18日,Meta召开今年的Meta Connect,展示了其在可穿戴技术、虚拟现实、增强现实等领域的最新成果。除了备受期待的Meta更新版Ray-Ban智能眼镜的亮相,还分享了其他一些令人兴奋的惊喜。
这一次,Meta 不只是给眼镜加上了摄像头、语音助手,而是让眼镜真正成为了AI的入口。
图片图1 Meta Ray-Ban Display
Meta首款配备显示屏的智能眼镜Meta Ray-Ban Display首次亮相。该眼镜在右侧镜片上配备了一块全彩高分辨率屏幕,把“脸上的 AI”从概念变成现实。
  • 右眼嵌入彩色光波导 HUD,可在不影响视线的情况下显示关键信息。

  • 支持字幕翻译、导航地图、消息提醒,甚至相机取景预览。

  • 搭配 Meta Neural Band 神经腕带,通过手势和肌电信号实现精准操控,还能实现“空中打字”。

  • 混合使用续航约 6 小时,搭配充电盒总续航 30 小时。

图片图2 Ray-Ban Meta (Gen 2) glasses
Meta 发布了新版本的Ray-Ban Meta(Gen 2)智能眼镜,致力于打造大众型 AI 眼镜。其电池续航时间长达八小时,几乎是初代型号的两倍。这款第二代智能眼镜仍然配备了1200万像素的超广角摄像头,支持3K视频拍摄,并允许佩戴者以高达每秒60帧的速度录制视频。
Meta还升级了眼镜附带的充电盒,现在它能额外提供48小时的电量,高于之前的36小时。此外,Ray-Ban Meta 和 Oakley Meta HSTN 眼镜还将新增一个名为“对话焦点”的功能,可在嘈杂环境中放大与你交谈的人的声音。
图片图3 Meta Oakley Meta Vanguard glasses

Meta全新的Hyperscape 功能允许佩戴 Quest 3 或Quest 3S 头显的用户扫描周围环境,并将其转化为一个数字空间。Meta去年在Meta Connect大会上首次展示了该功能的演示,而现在,用户可以通过Hyperscape Capture应用程序试用其测试版。
图片
 图4 Quest 3 系列产品
AI与显示、硬件与生态,正在Meta的眼镜与VR产品里加速融合,Meta正在改变人们与现实的关系,而艾为芯让这种改变更稳定、更轻盈、更可持续。

艾为芯助力Meta智能生态

在AR智能眼镜、MR头显等新一代可穿戴与沉浸式设备中,用户对设备轻量化、长续航和细腻交互反馈提出了更高要求。如何在有限空间内实现精准的光学控制、高效的能源管理以及可靠的传感检测,成为行业核心痛点。Meta Ray-Ban智能眼镜系列与Quest MR系列选择搭载艾为多款核心芯片,以领先的技术实力为其带来卓越性能与用户体验。

艾为3通道RGB LED驱动


Meta Rayban智能眼镜系列和Quest MR系列产品均采用艾为3通道RGB LED驱动,该产品是一款三通道恒流LED驱动器。最大输出电流有3mA、6mA、12mA和25.5mA四档可供选择。能够实现精细流畅的灯效控制,显著提升用户体验。
1.精准光效:每个LED均可配置256级电流,以实现256*256*256的混色效果。256级调光和12位PWM分辨率即使在低亮度下也能产生精细和平滑的调光效果,解决了传统 LED 灯效在暗光场景下不均匀的问题。
2.超低功耗:在关断模式下功耗低于1μA,待机模式下也低于10μA,极大延长了设备的续航时间。其工作电压范围宽至2.4V–5.5V,并支持400kHz I²C接口,设备地址为64h,配置灵活便捷。
3. 灵活可编程:内置3个可编程自主呼吸引擎,可以自由编写LED光亮时间,明亮程度,LED呼吸频率以及次数。极大增强了灯光动态效果的个性化能力,实现差异化交互体验。
图片

图5 典型应用电路



艾为霍尔开关系列


同时Rayban智能眼镜系列也采用艾为霍尔开关系列产品,用于充电盒子开合检测,眼镜管脚开合检测。该器件是一款超低功耗开关霍尔效应传感器,具有内部上拉和下拉能力,专为最紧凑和对电池敏感的系统而设计。空间与功耗极度敏感的穿戴设备提供高可靠性磁感应解决方案。

在充电盒子上,艾为的低灵敏度霍尔开关完美地解决了客户充电盒子强磁铁的开合需求,在开合吸力更强的前提下做到更精准地侦测开合。


在眼镜上,艾为的超小封装霍尔开关解决了在穿戴类设备上空间严重不足的问题。再配合多种灵敏度选择,艾为霍尔开关器件成为了穿戴类设备应用的首选。


还具有以下优势:

1. 便携性:其供电范围为1.6V至5.5V,可支持便携式设备。2. 超小型封装:FCDFN 0.8mmX0.8mm-4L,最大限度地减少PCB空间。3. 高可靠性:当磁场强度大于Bop时,器件输出被拉低;当磁场强度小于Brp时,器件输出被拉高;当磁场强度介于Bop和Brp之间时,器件输出保持在之前的状态。


图片

图6 典型应用电路



艾为LCD偏压驱动


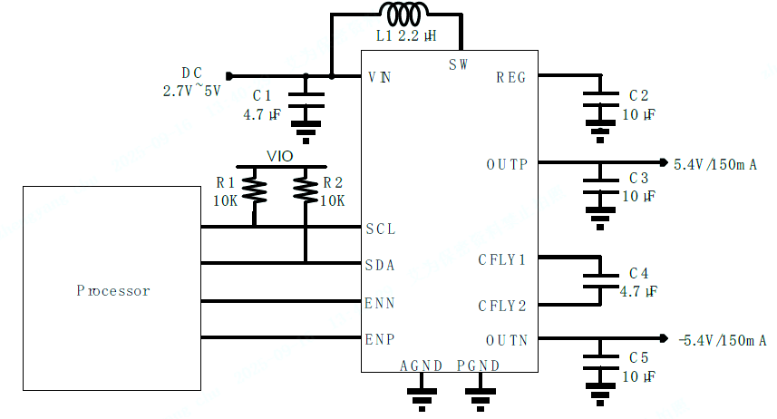
Meta Quest系列产品应用艾为LCD偏压产品。该设计用于为主要在Quest的TFT-LCD面板提供正/负电源。在极小的布板空间内实现高效、精准的电源供给,显著提升整机续航与显示性能。
1.单电感架构:提供较小的物料清单和最小的PCB解决方案尺寸,帮助整机实现更紧凑的设计。
2.高效与宽压适用性:集成了用于前端供电的升压DC-DC转换器。其架构带有LDO和负电荷泵(NCP),可生成+5.4V(默认)和-5.4V(默认)的双路输出,其电压可通过I²C兼容接口进行编程。
提供出色的线路和负载调整率性能,以及负载瞬态响应。当Iout>10mA时,其效率超过80%;当Iout>40mA时,其效率超过85%。凭借其2.7V至5.5V的输入电压范围,它可以通过单节电池(锂离子、镍锂、锂聚合物)供电,解决头显类产品长时续航问题,确保高速动态画面下的显示稳定。


图片

图7 典型应用电路



艾为触觉反馈


除此之外,Meta Quest系列产品手柄上采用了艾为触觉反馈芯片,该产品支持I²S接口输入,提供多样性充足的振感反馈。超小封装内实现了无噪声、强振感且易于设计的触觉反馈方案。
1. 简化流程:可通过在EN引脚上上拉不同电阻进行配置,从而无需进行I²C编程。
2. 快速启动:支持1ms的快速启振,振感反馈无延时
3. 全方位保护:该器件支持扩频和边沿速率限制功能,以增强EMI性能,同时减小输出滤波器尺寸和成本,提供短路保护、过温保护、欠压保护,以保护设备。
4. 超小封装:WLCSP1.403mm x 1.183mm-9B超小封装,为系统节省大量空间。图片

图8 典型应用电路


  • 高射频噪声抑制,完全消除TDD噪声

  • 低噪声:10.5μV

  • 低关断电流:0.02uA

  • 快速开启时间:1ms

  • 总谐波失真+噪声(THD+N):0.026%

  • 支持4Ω扬声器

  • 广泛的“砰-咔”声抑制(Pop-Click Suppression)

  • 支持扩频

  • I²S接口:

  • I²S Philips

  • 支持2/8槽

  • 输入采样率从8kHz到96kHz

  • 数据宽度:32位

  • 用于音频和常规设置的简化接口

  • 电源:

  • VDD:2.5V-5.5V

  • 短路保护、过温保护、欠压保护

  • WLCSP 1.403mmX1.183mm-9B封装



艾为红外灯驱动


另外,Meta Quest系列产品手柄上采用艾为红外灯驱动器件。为红外感应系统提供高功率、高精度的可靠光源驱动。
1.超低压差: 该产品是一款4通道线性电流吸收型LED/IR驱动器,具有超低压差。每个通道驱动一个高亮度LED灯串,其直流电流高达240mA,330μs脉冲电流高达350mA。
2.高压兼容:输出电流由连接到RSET引脚和地线的外部电阻器进行配置。LED引脚支持高达25V的高压应用,适用于多个LED灯串应用。
3.调光灵活,保护全面:该产品拥有EN引脚,可用于硬件使能和ON/OFF调光PWM信号输入,也具有过温关断功能,当芯片温度超过150°C时,会禁止LED输出。


图片

图9 典型应用电路


  • 单路PWM控制,四通道高精度电流调节,ON/OFF调光:

  • 每通道直流输出电流高达240mA,330μs脉冲电流高达350mA

  • ±5%电流精度

  • 通过外部电阻设置LED电流

  • 高LED输入电压,最高可达25V

  • 2.7V~5.5V输入电压范围

  • 低压差电流源(175mA时为0.3V,240mA时为0.32V)

  • 诊断与保护

  • 热关断

  • 零电流关断模式

  • 工作温度范围-40℃ ~ 105℃

  • FCDFN 2mm x 3mm -8L封装



艾为线性霍尔


同样被选入设计的还有艾为明星产品线性霍尔。该产品是一款线性霍尔效应IC,助力Meta实现高精度、低功耗与高稳定性的磁感测,显著提升用户体验。
1. 高精度测量: 响应与磁通密度成正比。这些器件的静态输出电压标称值为施加到器件VREF引脚的比例供电参考电压的50%。
2. 超低功耗:其在活动模式下消耗2.6mA的电流。通过增加用户可选的睡眠模式,可将电流消耗降至1μA以下,极大延长设备续航。
3. 卓越温度稳定性:该器件具有磁体温度补偿功能,可抵消磁体漂移,从而在-40℃至+125℃的宽温度范围内保持线性性能,也提供不带磁体漂移温度补偿的选项。
图片

图10 四档可调敏感度


  • 比例式线性霍尔效应磁传感器

  • 模拟输出,具有VREF/2的静态偏移

  • 睡眠模式下为高阻抗输出

  • 工作电压为2.5V至5.5V

  • 睡眠模式下功耗低于1μA

  • 灵敏度选择:

  • 1.25mV/Gs

  • 2.50mV/Gs

  • 5.0mV/Gs

  • 10.0mV/Gs

  • 参考电压(VREF引脚)

  • 静态电压输出和灵敏度稳定,不受温度影响

  • 宽工作温度范围:-40℃至125℃

  • WBDFN 3mm X 2mm X 0.75mm-6L封装



中国数模龙头艾为电子多款芯片产品已在Meta Ray-Ban智能眼镜与Quest系列中扮演着至关重要的角色。以其卓越的性能、极致的能效和出色的集成度,为用户带来更流畅、更可靠、更沉浸的交互体验。


未来,艾为将继续深耕技术研发,以创新的芯片解决方案,共同推动AR/VR及智能穿戴设备的技术边界,赋能更加广阔的元宇宙应用场景。




关于艾为


中国数模龙头


上海艾为电子技术股份有限公司创立于2008年,专注于高性能数模混合信号、电源管理、信号链等IC设计,2021年8月在上交所科创板成功上市,股票代码为688798。
艾为电子累计拥有40多种产品子类、产品型号总计近2000款,产品的性能和品质处于业内领先水平。公司产品广泛应用于消费电子、工业互联和汽车市场,包含智能手机、平板电脑、笔记本电脑、智能穿戴、智能音箱、智能家电、移动支付、物联网、AI教育、智能玩具、服务器、新能源、机器人、无人机、安防、汽车电子等领域。
艾为电子始终坚持高质量研发投入,引领产品技术创新,近年复合研发投入占营收比例超15%,技术人员占比超过70%,累计取得国内外各种知识产权1500余项。
艾为电子获评国家企业技术中心、音频制造业单项冠军企业、国家知识产权优势企业,国家高新区上市公司创新百强榜,上海市创新型企业总部、上海市质量金奖、上海市级设计创新中心、上海市智能音频芯片技术创新中心、上海硬核科技企业TOP100榜单等资质荣誉。


*博客内容为网友个人发布,仅代表博主个人观点,如有侵权请联系工作人员删除。

参与讨论
登录后参与讨论
上海艾为电子技术股份有限公司创立于2008年,专注于高性能数模混合信号、电源管理、信号链等IC设计,2021年8月在上交所科创板成功上市
推荐文章
最近访客