"); //-->
纳芯微宣布推出新一代集成隔离电源的隔离采样芯片NSI36xx系列,该系列是纳芯微NSI13xx系列的全面升级,包括隔离电流放大器NSI360x系列、隔离电压放大器NSI361x系列、内部集成比较器和单端比例输出的NSI36C00R/NSI36C1xR系列。

NSI36xx系列可广泛用于工业电机驱动、光伏逆变器、服务器电源、新能源汽车主驱、车载充电机等高压系统的电流、电压采样,通过集成隔离电源、灵活的输出配置和内置保护功能,帮助工程师在系统设计中支持更高的功率密度,并简化外围电路。

NSI36xx系列订货料号命名规则
集成隔离电源:简化系统架构,无需高压侧供电电路
在一些浮地采样的场景下,使用上一代产品NSI13xx系列的客户需要额外设计隔离电源给高压侧供电,而NSI36xx全系列产品均集成了隔离DC-DC电源,这一设计为客户带来了显著的实用价值:
• 简化供电设计:传统的隔离采样方案需要为高压侧和低压侧分别供电,而NSI36xx系列只需在低压侧提供单一电源即可正常工作,省去了复杂的高压侧供电电路。这不仅减少了电源设计复杂度,还显著缩短了开发周期。
• 节约系统成本:通过集成隔离电源,客户无需再外置独立的隔离电源模块,有效降低了整体BOM成本约10%~20%。同时,节省PCB面积约30%~50%,可使产品实现更小型化的设计,在空间受限的应用中具有明显优势。

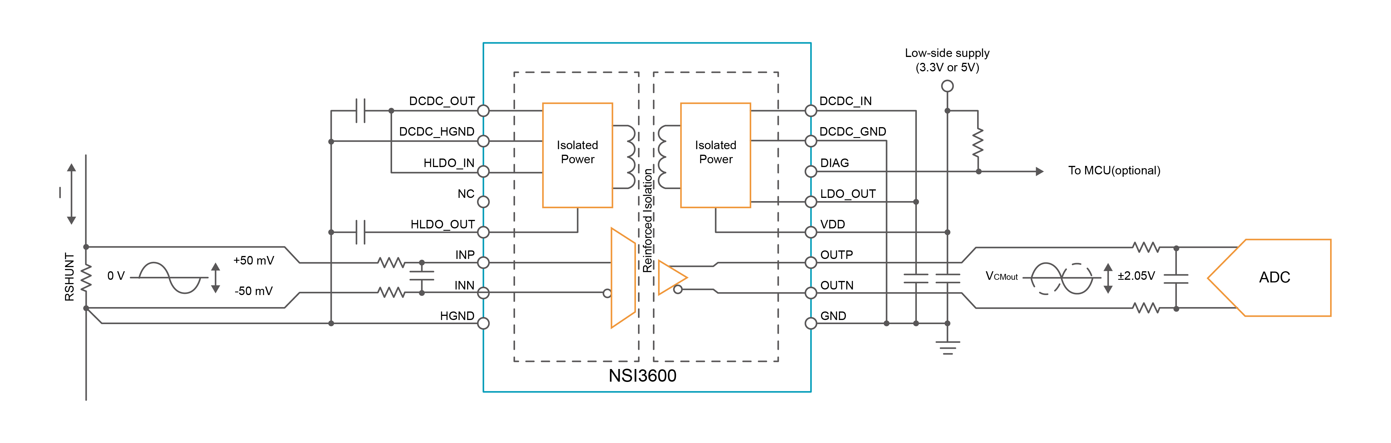
集成隔离电源的NSI36xx系列在高压侧的供电电路设计

未集成隔离电源的NSI13xx系列在高压侧的供电电路设计
单端比例输出:灵活适配系统,优化信号链设计
NSI36xx系列电压采样和电流采样均提供单端比例输出版本NSI36C1xR,NSI36C00R(尾缀R即代表单端比例输出),为客户系统设计提供了更大的灵活性:
• 增强系统兼容性:不同的输出配置使客户能够根据具体应用需求选择最合适的产品型号,无论是需要差分输出的长距离传输应用,还是需要单端比例输出的简化设计,都能在NSI36xx系列中找到理想解决方案。
• 简化信号链设计:比例输出架构能够直接与后端ADC匹配,减少了信号调理电路的需求,使系统设计更加简洁。客户无需再为复杂的信号调理电路花费设计资源,且可以利用到ADC满量程输入提高系统采样精度。

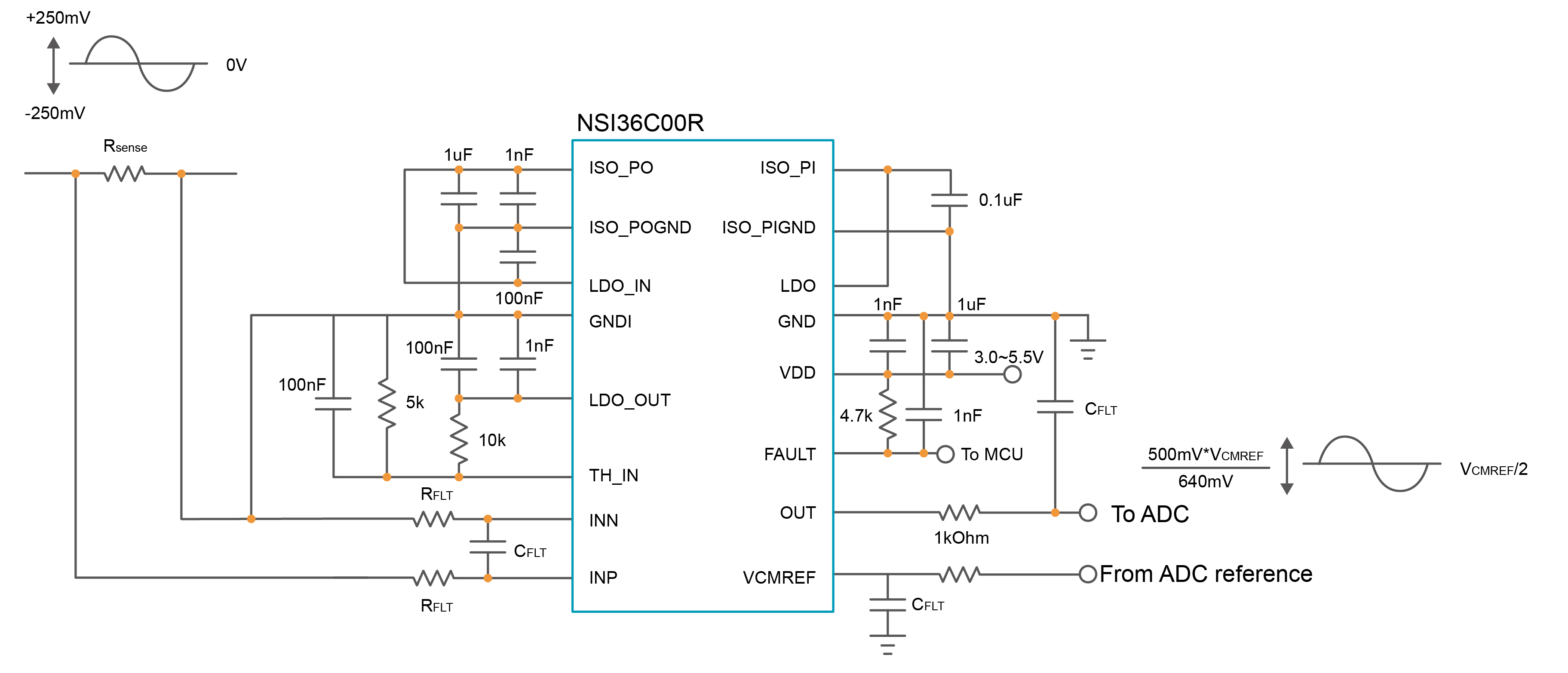
NSI36C00R比例型单端输出直连ADC
集成比较器保护:增强系统安全,降低诊断复杂度
NSI36C1xR,NSI36C00R同时集成内部比较器为终端应用提供了额外的保护功能:
• 实时故障检测:集成比较器可在客户系统中快速地实现过流、过压保护,能够在百纳秒时间内检测到异常状况并触发保护机制,大幅提升系统的安全性和可靠性。芯片内置过压过流电路,并且外部阈值可调,更加灵活,方便客户做逐周期过流保护或快速过压保护控制。
• 简化系统诊断:通过集成的自诊断功能和比较器输出,客户可以轻松实现系统健康状况的实时监测,无需额外设计诊断电路,大大降低了系统复杂度和开发难度。

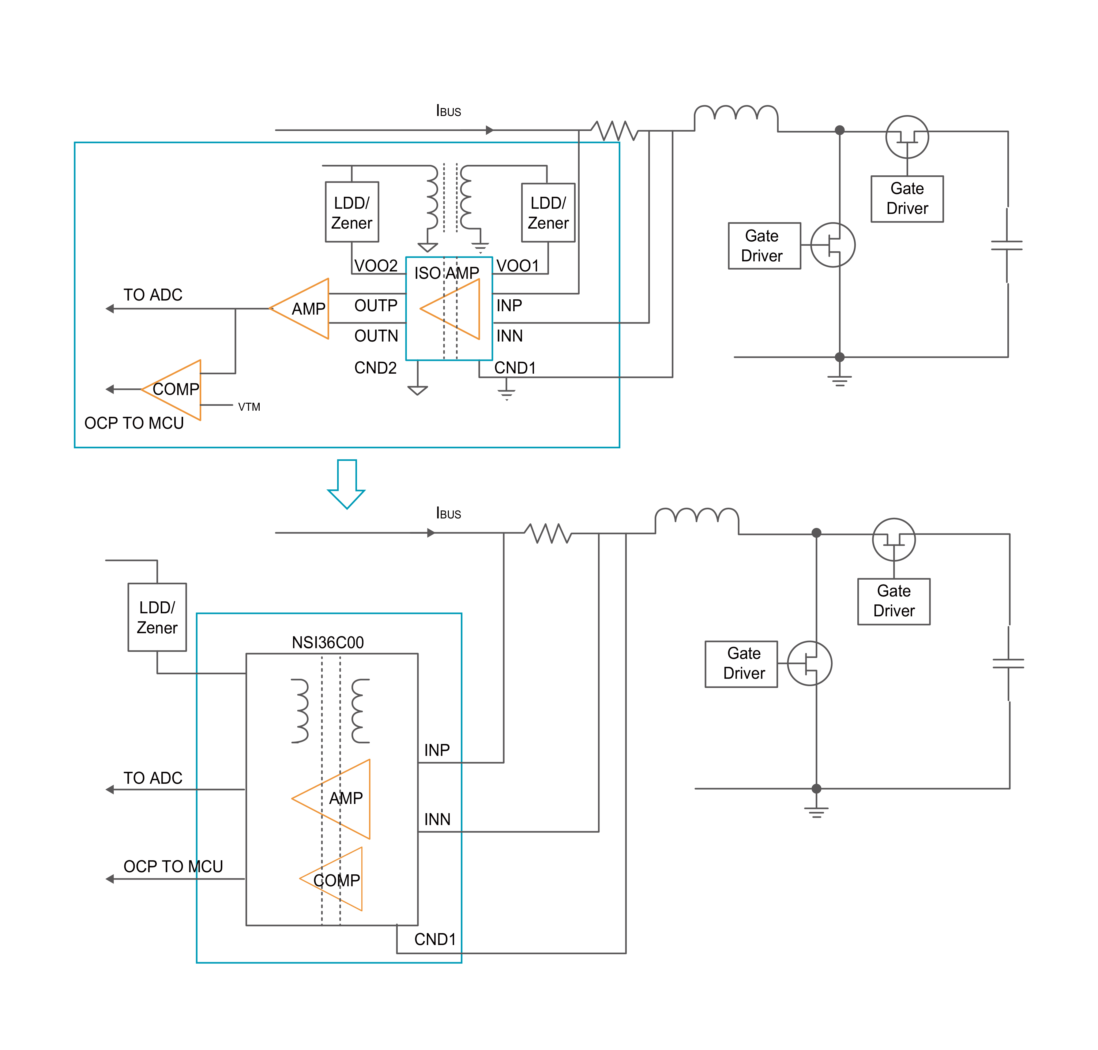
集成过流比较器,传输延时300ns (typ) / 800ns (max)
封装和选型
NSI36xx系列提供SOW16封装,全系将支持工规和车规版本。该系列首发型号:工规版本的NSI3600D,NSI3611D,NSI3612D现已量产,支持最高5000Vrms绝缘电压,工作温度范围为-40℃~125℃。支持单端比例输出、集成比较器的后续器件和对应的车规版本将陆续量产。

NSI36xx系列产品选型表
丰富的“隔离+”产品满足多元需求
凭借在隔离技术方面的积累和领先优势,纳芯微正以全生态“隔离+”产品矩阵,为高压系统筑造安全可靠的防线:
• “+”代表增强安全:纳芯微“隔离+”产品提供超越基本隔离标准的安全等级,为客户系统构筑更坚固的高低压安全边界。
• “+”代表全产品生态:纳芯微以成熟的电容隔离技术IP为核心,拓展出包括数字隔离器、隔离采样、隔离接口、隔离电源、隔离驱动等完整产品组合,为客户提供隔离器件的一站式解决方案。
• “+”代表深度赋能应用:纳芯微“隔离+”产品可满足电动汽车高压平台、大功率光储充系统,以及高集成、高效率AI服务器电源等场景的核心需求,实现系统级安全、可靠与高效。
*博客内容为网友个人发布,仅代表博主个人观点,如有侵权请联系工作人员删除。