"); //-->

一、行业标准解读1. 1 国际行业标准
欧洲标准化委员会发布的EN12885:1999标准《生物技术.细胞裂解仪性能标准》
ASTM E3133-18 (美国材料与试验协会)
性能验证(ISO 20391, ASTM E3133)
临床诊断标准化(CLSI, ICCS/ESCCA)
校准与质量控制(FDA, EU IVDR)



1.2 国内行业标准
流式细胞仪制定行业标准如YY/T0588-2017,规定了流式细胞仪的术语和定义、产品分类、技术要求、试验方法、标志、标签和使用说明、包装、运输和贮存等内容,适用于临床使用的对单细胞或其他非生物颗粒膜表面以及内部的生物化学及生物物理特性成分进行定量分析和分选(有分选功能的流式细胞仪)的仪器
国家药监局(NMPA)、ISO 或 CLSI 官方文件

二、EMC测试相关要求EMC测试项目概述
EMC测试包含多个关键项目,旨在确保流式细胞仪在复杂电磁环境下稳定运行且不产生过多电磁干扰
电磁干扰发射测试:
检测仪器工作时向外界发射的电磁能量,包括传导发射和辐射发射
传导发射测试:
仪器通过电源线、信号线等导体向外传导的干扰
辐射发射:
关注仪器以电磁波形式向周围空间辐射的干扰
抗扰度测试:
静电放电抗扰度测试仪器对静电放电的抵抗能力,电快速瞬变脉冲群抗扰度检验仪器承受电路中快速瞬变脉冲干扰的性能,这些测试项目全方位考量流式细胞仪的电磁兼容性

具体指标与参数要求
辐射发射测试:
在特定频率范围内,仪器的辐射发射强度必须低于规定限值,像在30MHz-1GHz频段,辐射发射电场强度可能要求不超过某一微伏每米数值,以避免对周围无线通信设备、其他医疗仪器等造成干扰
静电放电抗扰度测试:
要求仪器在接触放电和空气放电的不同等级下
接触放电±4kV
空气放电±8kV
三、流式细胞仪EMC痛点剖析电磁干扰影响稳定性在实际使用环境中,流式细胞仪周围存在各种电磁干扰源,如医院中的其他医疗设备(如MRI、CT等)、通信基站信号、电力设备等
这些干扰可能导致仪器检测信号失真,出现假阳性或假阴性结果,影响医生的诊断和科研实验结论而且,电磁干扰还可能使仪器的电子元件受损,缩短仪器使用寿命,增加使用成本。
四、电路设计EMC解决方案接地技术优化
采用混合接地方式,结合单点接地和多点接地的优点。对于低频信号部分,采用单点接地,将电路和设备中需接地的点都接到被定义的只有一个物理点为接地参考点的点上,减少地环路干扰,提高电路稳定性。对于高频信号部分,通过旁路电容与接地平面相连接,降低接地阻抗,减少高频驻波影响。当流通信号波长低于0.05λ时采用单点接地,接地线长度达到0.05λ以上的就采用多点接地,根据流式细胞仪电路中不同频率信号特点,灵活选择接地方式,有效抑制电磁干扰

屏蔽技术应用
针对电场屏蔽,在仪器内部电位不同物体间加入金属屏蔽层,如在信号传输线路周围布置金属屏蔽网,减少干扰源对信号线路的感应。屏蔽层选用导电良好的导体,保证有足够强度并良好接地,可有效增大干扰源与被感应物的距离,减小分布电容,让被感应物贴近接地板,增大其对地电容,从而降低电场干扰
对于磁场屏蔽,采用高导磁率、有一定厚度的材料制作屏蔽体,将仪器中的磁性元件或易受磁场干扰的部件包围起来,利用屏蔽体对磁通的磁分路作用,削弱屏蔽体内部的磁场,减少磁场干扰对仪器电路的影响
滤波电路设计
在电源输入输出端设计滤波电路,使用共模电感、差模电感、电容等元件组合
共模电感可抑制共模干扰,即产生于电网与零线之间的干扰;差模电感用于抑制差模干扰,也就是叠加在线路电压正弦波上的干扰
通过合理选择电感、电容的参数,如电感的电感量、电容的电容量,使滤波电路在特定频率范围内对不同类型的干扰具有良好的衰减特性,有效过滤掉电源中的电压降落、失电、频率偏移、电气噪声、浪涌、谐波失真和瞬变等干扰,为流式细胞仪的电路提供稳定、纯净的电源,保障仪器正常工作
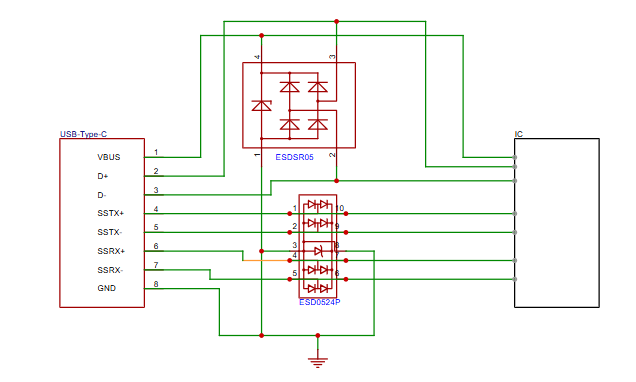
USB-Type-C接口EMC及热插拔可靠性设计
USB接口
USB接口具有高速数据传输能力,具备即插即用特性,方便用户随时连接和更换设备,提高机器人使用的便捷性,在各类机器人应用场景中发挥着关键作用;高速数据传输(如基因序列数据、质谱原始数据),测序仪、质谱仪;所有接口需通过YY 0505(医用电气设备EMC标准)测试,所以共模抑制显的十分重要


型号 | 器件类型 | 使用位置 | 作用 | 封装 |
ESD0524P | ESD | USB接口 | 浪涌、静电 | DFN2510 |
ESDSR05 | ESD | USB接口 | 浪涌、静电 | SOT143 |
CMZ2012A-900T | Common choke | USB接口 | EMI | 2012 / 3225 |
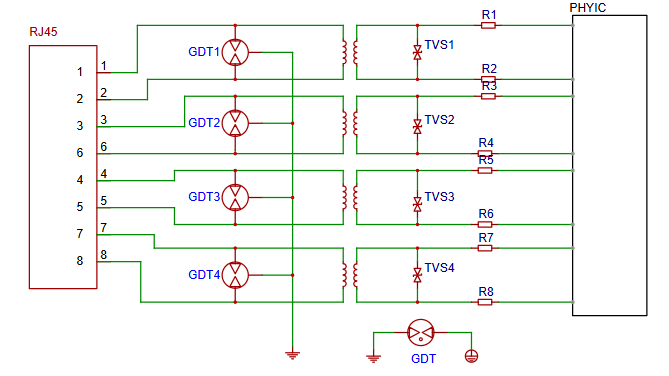
以太网接口EMC及热插拔可靠性设计
以太网接口
以太网接口(RJ45):支持有线网络连接(常见于智能机器人主板)
以太网接口为机器人提供稳定的网络连接,支持远程控制和数据交互。通过以太网,机器人可实时上传工作数据至云端,接受远程指令,实现智能化远程操作
其传输速率可达1000Mbps甚至更高,满足机器人在工业自动化、智能物流等领域对高速、稳定数据传输的需求

型号 | 器件类型 | 使用位置 | 作用 | 封装 |
3R090L | GDT | 以太网接口 | 浪涌 | 3RXXXL |
2R090L | GDT | 以太网接口 | 浪涌 | 2RXXXL |
ESDLC3V3D3B | ESD | 以太网接口 | 浪涌、静电 | SOD323 |
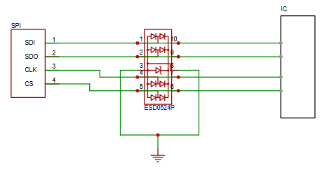
触摸屏/显示屏接口可靠性设计
部分机型配备触摸屏控制面板


型号 | 器件类型 | 使用位置 | 作用 | 封装 |
ESD0524P | ESD | SPI接口 | 浪涌、静电 | DFN2510 |
ESDLC5V0D8B | ESD | SPI接口 | 浪涌、静电 | DFN882/1006,layout 容易 |
*博客内容为网友个人发布,仅代表博主个人观点,如有侵权请联系工作人员删除。