"); //-->
RS485 保护方案
简述: RS-485是采用差分信号负逻辑,逻辑“ 1 ”以两线间的电压差为+(2~6)V 表示;逻辑"0"以两线间的电压差为-(2~6)V 表示,RS-485的数据最高传输速率为10Mbps,接口是采用平衡驱动器和差分接收器的组合,抗共模干扰能力增强,即抗噪声干扰性好。
广泛用于工业传输、智能家居、安防设备的云台控,类似这些产品常常放置室外,极易受到感应雷击的破坏,从主线往支线 或支线传导到总线,接下来,讨论关于 RS485传输浪涌雷击保护方法:



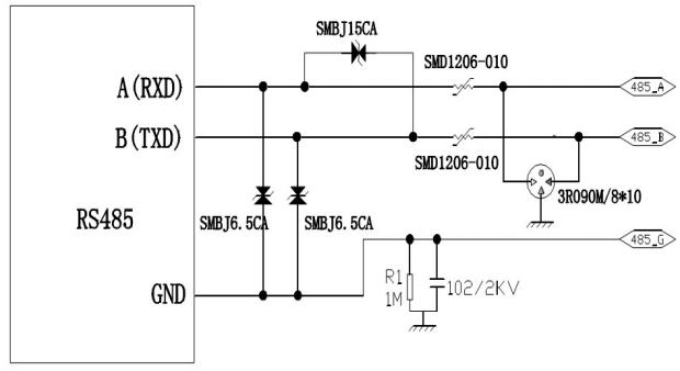
保护方案拓朴 图一

方案说明: 此为两级防护,第一级用气体放电管做粗保护, 第二级用 TVS 做细保护,二级之间用 PPTC 限流耦合,也称两级协同。
器件说明:第一级 将浪涌雷击脉冲电压降低到90V 气体放电管的限制电压范围(小于1KV ,浪涌电压不同,值会有不同)。
第二级 将气体放电管残留的电压通过瞬态抑制二极管吸收,它具有动作时间快,嵌位电压低的特点。可以将电压降到10V 左右,对于 RS485接口芯片将会比较安全。
自恢复保险丝耦合级,一般用插件250V-080或120器件;因为安装空间紧凑,可以考虑贴片 PPTC。
1M 、102/2KV 阻容并联,有利于 EMC 的 GND 与 PE/FG 之间的解决。
AB 差分线之间用15V 器件,主要考虑干线距离长、部份用户会将使用9V 电源供电,进差分信号放大增强。
保护方案拓朴(电力线搭接抑制型) 图二
(适合高精密电力设备、例如:电表)

方案说明: 此为两级防护,第一级用半导体放电管+CPTC 居里点正温度系数热敏电阻, 第二级用 TVS 做细保护,二级之间用 PPTC 限流耦合,也称两级协同。
器件说明: 第一级 用 CPTC+半导体放电管,半导体放电管具有动作时间快,续流电压低的特性。当有雷击浪涌通过时,器件将在 PS 级导通,将大的浪涌能量泄放被泄放点;当有电力线220V 串扰到 RS484A B 信号线上,半导体迅速导通,CPTC 电流增加,达到器件的居里温度点,从而跃变断开电路,从而起到保护后端设备的作用。
第二级 将气体放电管残留的电压通过瞬态抑制二极管吸收,它具有动作时间快,嵌位电压低的特点。可以将电压降到10V 左右,对于 RS485接口芯片将会比较安全。
自恢复保险丝耦合级,一般用插件250V-080或120器件;因为安装空间紧凑,可以考虑贴片 PPTC。
1M 、102/2KV 阻容并联,有利于 EMC 的 GND 与 PE/FG 之间的解决。
AB 差分线之间用 15V 器件,主要考虑干线距离长、部份用户会将使用 9V 电源供电,进差分信号放大增强。
*博客内容为网友个人发布,仅代表博主个人观点,如有侵权请联系工作人员删除。