"); //-->
BNC 视频接口保护
DVI 接口保护
TV side panel



一 . BNC 视频接口防雷保护
共模二极保护 (指视频同轴电缆离高压线或易受直击雷传导介质距离在 50 米内的设备保护)


器件型号 | 封装 | 尺寸mm | 结电容.典型值 | ESD robustness (IEC61000-4-2) | 备注 |
2R075L | Dip D=6mm | 5.5*6.0 | 0.8PF | 2.5KA /8/20US | 直插气体放电管GDT 注:A |
GDT/SMD1812-091 | 4532/1812 | 4.5*3.2 | 0.6PF | 2KA /8/20US | 贴片气体放电管GDT 注:A |
SMD1206-010 | 3016/1206 | 3.0*1.6 | IH:100mA | 自恢复保险丝 | |
INT.P0800SB-L | SMB | 4.5*3.2 | 30PF | 80A | 放电管 |
1. GDT 为陶瓷气体放电管,做共模保护,保证前端的瞬间高压的保护作用,它能将高浪涌电压处理到 90V 左右,这样有利于第二次处理。
选插件:2RX090L-8,它具有 P 秒级动作速度,动作电压:72V~108V,级间电容为小于 1PF(1MHZ 下)
选贴片:SMD1812-091,它具有 P 秒级动作速度,动作电压:63V~117V,级间电容为小于 1PF(1MHZ 下)
2. PPTC 是指提供的自恢复保险丝,它能有效防止雷击产生的感应电流或者因接口接插过程产生的电流异常,对后端进行隔离保护, 电流异常结束后, 自恢复保险丝将恢复正常工作。其重要一点,它可以协同第一级气放电管与第二级 TVS 的动作时间,也称为:耦合保护
一般情况选型为:SMD1206-012L(60V 125mA Case:1206 贴片),它内阻范围为: 1.5~3.6Ω, 若有特殊的视频驱动芯片,则要考虑内阻的影响。
3. Thristor 为细保护,它将前级尚未处理的浪涌完成二次处理,让残留的浪涌电压足够小,以致于保护视频解码等相关电路。
器件选择:INT.P0080SB-L 低残压型
二 . DVI 接口保护
我们提供ESD保护器件,分立和集成式的,在通常视频产品设备上,很容易Layout给DVI 接口的保护。如:YC输入,YPbPr,音频L / R ,RGB等,对于A / V接口,我们推荐综合解决方案
ESDSRLC05-4 或 ESD0524P。

器件型号 | 封装 | 尺寸mm | 结电容.典型值 | ESD robustness (IEC61000-4-2) | 备注 |
ESDSRVLC05-4 | SOT-23-6L | 2.92*2.82*0. 4 | 0.35 PF | C:+ 12KV A:+ 17KV | LC低电容 |
ESD0524P | DNF-10-2.5-1.0 | 2.5*1.0*0.6 | 0.35PF | C:+ 10KV A:+ 15KV |
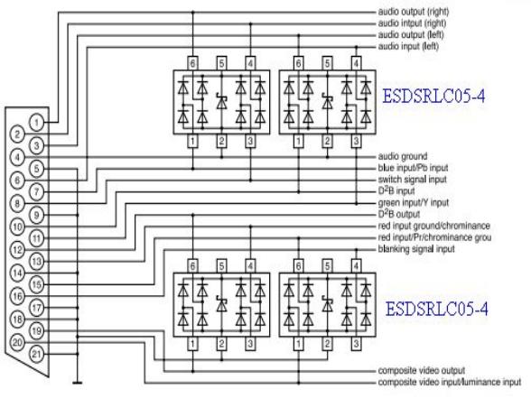
三 . TV side panel
对于设计VGA输入接口PC的视频输出,DVD 、机顶盒等视频设备,这些集成式器件结合ESD保护和同步信号缓冲特点,我们的推荐的ESDSRLC05-4或ESD5V0D8.

器件型号 | 封装 | 尺寸mm | 结电容.典型值 | ESD robustness (IEC61000-4-2) | 备注 |
ESDSRVLC05-4 | SOT-23-6L | 2.92*2.82*0 .4 | 0.35 PF | C:+ 12KV A:+ 17KV | LC低电容 |
ESD5V0D8 | SOD-882 | 1.0*0.6*0.5 | 0.35PF | C:+ 10KV A:+ 10KV | SOD-882 |
*博客内容为网友个人发布,仅代表博主个人观点,如有侵权请联系工作人员删除。